Iklan 300x250

42 exmark lazer z drive belt diagram

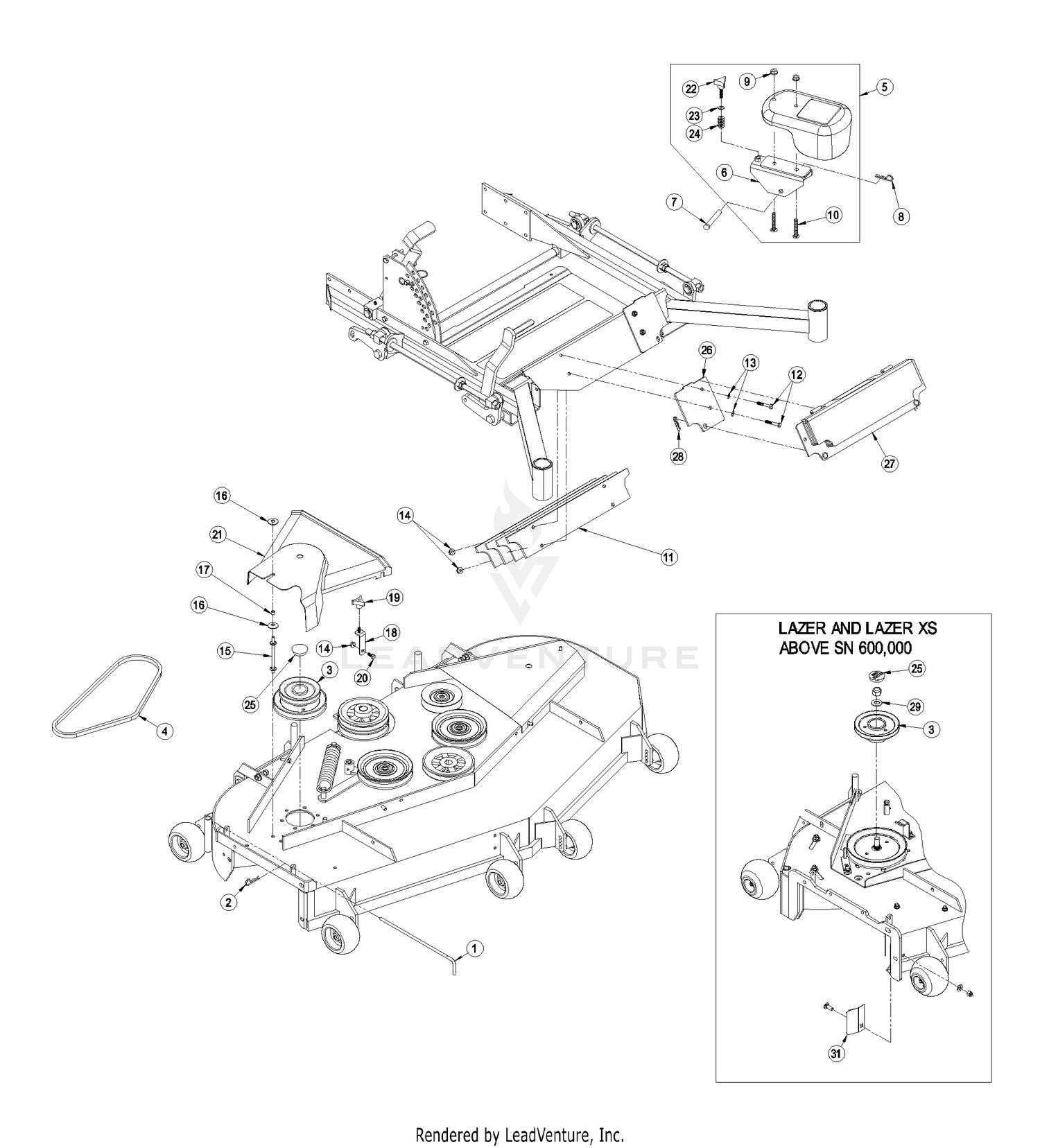
Belt Diagram Lookup | Exmark Lazer Z E-Series This mower strikes a perfect balance of value and performance featuring a Deck Support System, Simplified Hydro-drive, Unibody Frame and available with a Rear Discharge Deck. Deck widths from 48" to 72" PDF EXMARK LAzER z 52, 60 & 72 DEcK MOWERS Illustrated Parts Lists EXMARK LAzER z 52", 60" & 72 DEcK MOWERS 74 OEP Illustrated Parts Lists • Illustrated Parts Lists. Ref #Frederick #OEM # ASC # Description Exmark lazer Z 52", 60" & 72 deck mowers 75-188 633173 52"-60"-72" DECK DRIVE BELT 175-960 633366 5648552" DECK BELT 75-186 633127 5809560" DECK BELT

PDF Diagram Of A Exmark 19 Hp Zero Turn Engine Lawm Mower Oregon Exmark Exmark Lazer Z 52", 60", 72" Deck Mowers Parts Diagram. SWIPE SWIPE Previous BELT EXMARK 5/8 X 60" DECK BELT OEM #. This carried energy will turn the blades in an Exmark Lazer Z lawnmower. Modern drive belts are usually made from polyester, polyurethane, rubber, or a.diagramweb.net - Order Genuine eXmark Part (DECAL,BELT ROUTING).

Exmark lazer z drive belt diagram

Exmark lazer z drive belt diagram

Exmark Mower Deck and Blade Drive Belts - Mutton Power Exmark Deck Drive Belts take the brunt of the grass mowing work load and must be up to par. Exmark Deck belts can be found as a single belt on some models and a dual belt design on others. Regardless of the configuration making sure your deck belt can handle the rigors is important, that is why nothing lasts and performs like the original ... PDF Diagram Of A Exmark 19 Hp Zero Turn Engine Lawm Mower Exmark Drive Belt Diagram Exmark Zero-Turn Mowers Lazer Z parts with OEM Exmark parts diagrams to find Exmark Zero-Turn Mowers Lazer Z repair parts quickly and easily COVID-19 UPDATE: Call Center OPEN (from home) and Warehouse SHIPPING to all 50 states (with some USPS/UPS/FedEx delays) Learn more > Exmark Zero-Turn Mowers Lazer Z Parts with ... Exmark Lazer Z Belt Diagram Exmark Lazer Z Belt Diagram Oregon Exmark Exmark Lazer Z 52", 60", 72" Deck Mowers Parts Diagram. SWIPE SWIPE Previous BELT EXMARK 5/8 X 60" DECK BELT OEM #. Fortunately, belt replacement is a project you can tackle on your own. Follow the steps for taking apart an Exmark Lazer Z, removing the belts, and installing new.

Exmark lazer z drive belt diagram. Exmark LZ27KC604 - Exmark 60" Lazer Z Zero-Turn Mower ... 60" Lazer Z Zero-Turn Mower, 27HP Kohler Deck Group 60" Parts Diagram 1 Exmark Part# 103-3184 Asm,Deck (103-3029-01) W/Decals Usually ships in 5 to 8 days $ 3542.00 Add to Cart 0 2 Exmark Part# 3217-46 Nut, Hh 3/4-16 Heavy In Stock, Qty 20+ $ 9.47 Add to Cart 0 3 Exmark Part# 3256-24 Washer, 3/8 SAE In Stock, Qty 20+ $ 0.62 Add to Cart 0 4 Exmark Replacement Deck and Drive Belts - ProPartsDirect Exmark Belts. My Snowblower: undefined X. ProParts Direct is one of the Largest Exmark Dealers in the country. We are the leading source for Exmark Parts. Save on Exmark belts when you buy from ProParts. Deck Drive Belts. Transmission Belts. Ultra-Vac Belts. Exmark 103-0882-SL Hydro Pump Drive Belt Lazer Z XP 103-0882 8TEN Deck Belt for Exmark 60 inch Lazer Z AS E S X Series Zero Turn Mower 109-8073 116-1985 90 5 offers from $32.91 SureFit Deck Drive Belt Replacement Exmark 103-0882 Lazer Z XP Zero-Turn Lawn Mowers 1/2" X 70.43" 1 1 offer from $18.99 Stens 265-277 OEM Replacement Belt, Exmark 103-5598, ea, 1 3 5 offers from $11.92 How to replace DRIVE BELT on exmark lazer z - YouTube In this video I show you how to replace or install a drive belt on a exmark lazer z x series mower. Last week my drive belt broke in a customers lawn and I w...

Exmark Belts - Belts - Exact Replacement EXMARK : Lazer Z, 52", 60" and 72" decks (serial number 369,999 and lower) Replaces OEM. Exmark : 1633173 633173. Your Price: $46.56. Qty: Please enter numbers only for Qty. QTY must be greater than Zero QTY is required to add to cart. Add to Cart. › Service-And-Support › PartsExmark Quick Reference Parts | Exmark Lazer Z X-Series with RED Technology Mowers Lazer Z X-Series with RED Technology Our top-of-the-line series features patented RED Technology, a Simplified Hydro-drive, Ultracut Series 6 Deck and a new level of comfort with our patented Iso-Mount Seat Isolation System. Exmark Lazer Z Belt Diagram - wireschema.com This carried energy will turn the blades in an Exmark Lazer Z lawnmower. Modern drive belts are usually made from polyester, polyurethane, rubber, or wireschema.com - Order Genuine eXmark Part . Oregon Exmark Parts Diagram For Exmark Lazer Z 52 60 images that posted in this website was uploaded by wireschema.com Oregon Exmark Parts Diagram For ... Exmark LAZER Z (w/60" Deck) Zero Turn Mower ... - V-Belt Guys Exmark LAZER Z (w/60" Deck) Zero Turn Mower Replacement Belt Original Equipment Manufacturer Exmark OEM Part Number 633127 Machine Zero Turn Mower Model LAZER Z (w/60" Deck) Belt Type 5LK/BK Aramid VBG Replacement Id APPL712805 Technical Specifications: (Inches) (mm) Outside Circumference 146.00 3708.40 Top Width 0.63 15.88 Belt Depth 0.375

Exmark Lazer Z Drive Belt Diagram - Diagram Niche Ideas Exmark lazer z drive belt diagram. Located under the seat on the lh pump control link. I have made some changes to the original design, detailed below. 1280 x 720 jpeg 79 кб. From reading people are saying bad motor. 734 industrial park drive pelham, al 35124. Exmark Lazer Z Hp Drive Belt Diagram - wiringall.com Follow the steps for taking apart an Exmark Lazer Z, removing the belts, and installing Tighten the pulleys to ensure the pump drive belt has the proper tension. Guide the new deck belt around the pulleys and refer to the belt diagram or photo for . Exmark Lazer Z, Lazer HP, Lazer AS w/ serial numbers , and Up. Exmark Lazer Z Hp Drive Belt Diagram - schematron.org The Exmark Lazer Z lawnmower may not work if the belt is too worn; if this occurs, follow these steps Gather all lawnmower replacement parts in one location. Exmark lazer z hp lawn mower operator's manual (40 pages) Choke-off Deck Drive Belt Routing . Negative (-) cable on the booster battery B. Install bushing/blade assembly into spindle. 4. Exmark LAZER Z HP (52" Deck Pump Drive) Zero ... - V-Belt Guys Exmark LAZER Z HP (52" Deck Pump Drive) Zero Turn Mower Replacement Belt Original Equipment Manufacturer Exmark OEM Part Number 1035589 Machine Zero Turn Mower Model LAZER Z HP (52" Deck Pump Drive) Belt Type SPA Metric Wedge VBG Replacement Id APPL717733 Technical Specifications: (Inches) (mm) Outside Circumference 51.97 1320.00

Changing exmark metro transmission drive belt.

Changing exmark metro transmission drive belt.

SOLVED: Need a drive belt diagram for exmark lazer z - Fixya The accessory drive belt for 2.0L engines has no provision for manual belt adjustment, since these engines use an automatic belt tensioner. Drive belt slack is taken up by the automatic tensioner. Movement of the automatic tensioner assembly during engine operation is not a sign of a malfunctioning tensioner.

John Deere, Toro, Exmark Parts and Sales | Fort Wayne

John Deere, Toro, Exmark Parts and Sales | Fort Wayne

Exmark Zero Turn Mowers Drive Pump Belt Idler - Fits Lazer ... Exmark Zero Turn Mowers Drive Pump Belt Idler - Fits Lazer Z Model - See Diagram. Exmark. Price: $27.99 / Quantity: Sold out Description. 1 replacement pulley for the drive pump belt on Exmark Zero Turn Lazer Z Models. ID: 3/8" OD: 3-1/8" HEIGHT: 1-3/16" Refund Policy.

Exmark 109-7582-SL Hydro Drive Pump Belt Original

Exmark 109-7582-SL Hydro Drive Pump Belt Original

Exmark pump drive belt diagram - Fixya The drive belt is known as the Serpentine Belt. This belt is located on the front of the engine. It connects the power steering pump, water pump, alternator, A/C compressor, tension pulley, idle pulley and crankshaft together. Just incase you need the diagram for routing purposes, here it is. Read full answer.

Exmark Ultra Vac Lazer Z XS S/N 720,000 & Up LZUV52 Z XS S/N ...

Exmark Ultra Vac Lazer Z XS S/N 720,000 & Up LZUV52 Z XS S/N ...

SureFit Deck Drive Belt Replacement for Exmark 103-6506 72 ... 1-633127 Lawn Mower Belt for Exmark Lazer Z Deck GRP 52" 60" 72" Scag Replace 633127 336371 484197 Blade Drive Belt (5/8"x146") 95 1 offer from $22.89 Parts 4 Outdoor 6 Deck Wheel Kit REPLACEMENTUSA Made Fits Exmark 103-3168 103-4051 1-603299 246 1 offer from $51.22 Stens - 265-500 OEM Replacement Belt, Exmark 103-6506, ea, 1 16 in Lawn Mower Belts

Amazon.com : Exmark 1-643222 Belt Routing Decal Lazer Z AC AS ...

Amazon.com : Exmark 1-643222 Belt Routing Decal Lazer Z AC AS ...

Lazer Z - Exmark Lazer Z. For years, Exmark's Lazer Z has been the standard of excellence for commercial zero-turn mowers. Today more than ever, the Lazer Z is coveted by landscape pros for its cut quality, productivity, durability and up-time performance. The improved design uses 40% fewer parts making it easier to maintain. Which means more profits for you.

EXMARK LAZER Z HP Operators Manual & Parts Schematics ...

EXMARK LAZER Z HP Operators Manual & Parts Schematics ...

How To Replace Drive Belt On Exmark Quest - Diagram Niche ... How to know when to replace hoses and other parts: How to change deck drive belt on exmark lazer z commercial zero turn mower. Replacing the drive belts on your 4runner is pretty easy and worth doing. 2010 Honda Civic Serpentine Belt Diagram; 2002 Pt Cruiser Fuse Box Diagram; Fleetwood Motorhome Wiring Diagram Fuse

Exmark Zero Turn Mowers Drive Pump Belt Idler - Fits Lazer Z Model - See  Diagram

Exmark Zero Turn Mowers Drive Pump Belt Idler - Fits Lazer Z Model - See Diagram

Exmark Zero-Turn Mowers Lazer Z Parts with Diagrams ... All models of Exmark Zero-Turn Mowers Lazer Z. Fix it fast with OEM parts list and diagrams. ... Lazer Z Parts Lookup & Diagrams Exmark Zero-Turn Mowers: Lazer Z ( 749 Models ) LAS23KC524 - Exmark 52" Lazer Z AS Zero-Turn Mower, 23HP Kohler (SN: 600000 - 669999) (2006)

Exmark LXS25KD605 - Exmark 60

Exmark LXS25KD605 - Exmark 60" Lazer Z XS Diesel Zero-Turn ...

How to change deck drive belt on eXmark lazer Z commercial ... About Press Copyright Contact us Creators Advertise Developers Terms Privacy Policy & Safety How YouTube works Test new features Press Copyright Contact us Creators ...

ExMark Quest belt drive diagram | LawnSite™ is the largest ...

ExMark Quest belt drive diagram | LawnSite™ is the largest ...

Exmark Lazer Z Belt Diagram - schematron.org Ensure that the new pump drive belt you have is the correct size and type for the Exmark Lazer Z. Refer to the belt diagram in the owner's manual or the photo of the belt routing. Guide the belt around the pulleys in the same configuration that it was before. The Lazer Z also makes it easy to cut closely around obstacles like flowerbeds and bushes.

Belt Diagram Lookup | Exmark

Belt Diagram Lookup | Exmark

› products › mowersNew for 2022 Vertex S-Series Stand-On Mowers | Exmark Lazer Z E-Series This mower strikes a perfect balance of value and performance featuring a Deck Support System, Simplified Hydro-drive, Unibody Frame and available with a Rear Discharge Deck. Deck widths from 48" to 72"

EXMARK 103-0866-SL BLOWER Drive Belt Lazer Z HP XP XS Ultra ...

EXMARK 103-0866-SL BLOWER Drive Belt Lazer Z HP XP XS Ultra ...

Exmark Drive Belt Diagram Oregon Exmark Exmark Lazer Z 52", 60", 72" Deck Mowers Parts Diagram. SWIPE SWIPE Previous BELT EXMARK 5/8 X 60" DECK BELT OEM #. This carried energy will turn the blades in an Exmark Lazer Z lawnmower. Modern drive belts are usually made from polyester, polyurethane, rubber, or a.diagramweb.net - Order Genuine eXmark Part (DECAL,BELT ROUTING).

EXMARK LAZER Z HP OPERATOR'S MANUAL Pdf Download | ManualsLib

EXMARK LAZER Z HP OPERATOR'S MANUAL Pdf Download | ManualsLib

PDF Exmark Lazer Z Engine Diagram Exmark Drive Belt Diagram exmark lazer z parts diagram is probably the pictures we discovered on the internet from reputable resources. We tend to talk about this exmark lazer z parts diagram picture in this article simply because according to info from Google engine, It is one of many best queries key word on the internet. ...

Exmark Lawnmower Deck Belt Replacement (Best on YouTube ...

Exmark Lawnmower Deck Belt Replacement (Best on YouTube ...

Exmark Lazer Z Belt Diagram Exmark Lazer Z Belt Diagram Oregon Exmark Exmark Lazer Z 52", 60", 72" Deck Mowers Parts Diagram. SWIPE SWIPE Previous BELT EXMARK 5/8 X 60" DECK BELT OEM #. Fortunately, belt replacement is a project you can tackle on your own. Follow the steps for taking apart an Exmark Lazer Z, removing the belts, and installing new.

Exmark LHP5223KC (SN 220,000-251,999) [2000] Parts Diagram ...

Exmark LHP5223KC (SN 220,000-251,999) [2000] Parts Diagram ...

PDF Diagram Of A Exmark 19 Hp Zero Turn Engine Lawm Mower Exmark Drive Belt Diagram Exmark Zero-Turn Mowers Lazer Z parts with OEM Exmark parts diagrams to find Exmark Zero-Turn Mowers Lazer Z repair parts quickly and easily COVID-19 UPDATE: Call Center OPEN (from home) and Warehouse SHIPPING to all 50 states (with some USPS/UPS/FedEx delays) Learn more > Exmark Zero-Turn Mowers Lazer Z Parts with ...

eXmark Ultra Vac Original Lazer Z-AS-XP-XS S/N 850,000 & Up ...

eXmark Ultra Vac Original Lazer Z-AS-XP-XS S/N 850,000 & Up ...

Exmark Mower Deck and Blade Drive Belts - Mutton Power Exmark Deck Drive Belts take the brunt of the grass mowing work load and must be up to par. Exmark Deck belts can be found as a single belt on some models and a dual belt design on others. Regardless of the configuration making sure your deck belt can handle the rigors is important, that is why nothing lasts and performs like the original ...

REPLACEMENT BELT EXMARK 103-0881 1030881 MULE DRIVE BELT LAZER Z 60

REPLACEMENT BELT EXMARK 103-0881 1030881 MULE DRIVE BELT LAZER Z 60"&72" 1/2X120 | eBay

Exmark RAE708GEM48300 S/N 400,000,000 & Up Parts Diagram for ...

Exmark RAE708GEM48300 S/N 400,000,000 & Up Parts Diagram for ...

Exmark Mfg Inc Drive Belt Part# 543548 DF for sale online | eBay

Exmark Mfg Inc Drive Belt Part# 543548 DF for sale online | eBay

Exmark Next Lazer Z Air Cooled S/N 850,000 & Up LZZ23KC486 S ...

Exmark Next Lazer Z Air Cooled S/N 850,000 & Up LZZ23KC486 S ...

NEW OEM EXMARK 4L SECTION BELT PART # 126-6341 TORO RADIUS UV BAGGER | eBay

NEW OEM EXMARK 4L SECTION BELT PART # 126-6341 TORO RADIUS UV BAGGER | eBay

OEM HEADLAMP - Suzuki [Motorcycle] GSX1300R (E50) Hayabusa ...

OEM HEADLAMP - Suzuki [Motorcycle] GSX1300R (E50) Hayabusa ...

Exmark LZ27DD604 S/N 370,000-439,999 (2003) Parts Diagram for ...

Exmark LZ27DD604 S/N 370,000-439,999 (2003) Parts Diagram for ...

Exmark UV60 S/N 315,000,000 & Up Hood And Bag Assembly ...

Exmark UV60 S/N 315,000,000 & Up Hood And Bag Assembly ...

Exmark LZAS23KC524 (SN 790,000-849,999) Parts Diagram for 52 ...

Exmark LZAS23KC524 (SN 790,000-849,999) Parts Diagram for 52 ...

Lzs749akc604a1 | Shop tercesa.com

Lzs749akc604a1 | Shop tercesa.com

Amazon.com : Exmark 109-9361 Belt Routing Decal Lazer Z AS ZE ...

Amazon.com : Exmark 109-9361 Belt Routing Decal Lazer Z AS ZE ...

Exmark Ultra Vac Original Lazer Z-AS-XP-XS S/N 850,000 & Up ...

Exmark Ultra Vac Original Lazer Z-AS-XP-XS S/N 850,000 & Up ...

EXMARK LAzER z 52

EXMARK LAzER z 52", 60" & 72 DEcK MOWERS Illustrated Parts Lists

PTO Engine to Deck Mule Drive Belt for Exmark Lazer Z 60

PTO Engine to Deck Mule Drive Belt for Exmark Lazer Z 60" 1 ...

Exmark LZ25KC604 S/N 260,000-319,999 (2001) Parts Diagram for ...

Exmark LZ25KC604 S/N 260,000-319,999 (2001) Parts Diagram for ...

Exmark Lawnmower Deck Belt Replacement (Best on YouTube)

Exmark Lawnmower Deck Belt Replacement (Best on YouTube)

EXMARK 1-643222 BELT Routing Decal Lazer Z AC AS LC XP XS ...

EXMARK 1-643222 BELT Routing Decal Lazer Z AC AS LC XP XS ...

Exmark Lazer Z AC S/N 540,000-599,999 LZ23KC604 S/N 540,000 ...

Exmark Lazer Z AC S/N 540,000-599,999 LZ23KC604 S/N 540,000 ...

8TEN Pump Drive Belt for Exmark Lazer Z AS S X E Quest Toro ...

8TEN Pump Drive Belt for Exmark Lazer Z AS S X E Quest Toro ...

Exmark Ultra Vac QDS Lazer Z S/N 510,000-599,999 Weight And ...

Exmark Ultra Vac QDS Lazer Z S/N 510,000-599,999 Weight And ...

eXmark mule drive and deck belt replacement. - YouTube

eXmark mule drive and deck belt replacement. - YouTube

Exmark LZ27KC605 (SN 670,000-719,999) [2007] Parts Diagram ...

Exmark LZ27KC605 (SN 670,000-719,999) [2007] Parts Diagram ...

EXMARK LAZER Z LZD25KD725 PARTS MANUAL Pdf Download | ManualsLib

EXMARK LAZER Z LZD25KD725 PARTS MANUAL Pdf Download | ManualsLib

LXS25KD665 XS - Exmark 66

LXS25KD665 XS - Exmark 66" Lazer Z XS Diesel Zero-Turn Mower ...

Exmark Lazer Z Xp Users Manual 103 7372

Exmark Lazer Z Xp Users Manual 103 7372

Exmark Lazer Z - Maintenance Tips, Part 4

Exmark Lazer Z - Maintenance Tips, Part 4

eXmark Lazer Z / Zero Turn / DIY Remove Deck - YouTube

eXmark Lazer Z / Zero Turn / DIY Remove Deck - YouTube

0 Response to "42 exmark lazer z drive belt diagram"

Post a Comment

Iklan Atas Artikel

Iklan Tengah Artikel 1

Iklan Tengah Artikel 2

Iklan Bawah Artikel