Iklan 300x250

45 john deere 212 mower deck belt diagram

47 mower deck parts for 212 - John Deere Parts and More John Deere Mower Deck Drive Belt Tightener Arm - AM31374. (1) $81.58. Usually available. Add to Cart. Quick View. PDF John Deere 48c Mower Deck Belt Diagram It is your completely own era to discharge duty reviewing habit. along with guides you could enjoy now is john deere 48c mower deck belt diagram below. John Deere 48C Mower Deck Repairs - zeketheantiquefreak John Deere 48C/54C Double Pulley Repair (X300 \u0026 X500 series tractors) Replacing Spindle on John Deere 48 inch

How To Put A Belt On A John Deere Lawn Mower Step By Step? Follow the steps carefully to put on the belt on the mower: Take Off The Shields All you have to do to take off the previous belt is to take off the shield. The shields should be secured with a few bolts. Take them off to unhook the shields. Make sure you take off the shields on both sides. Take Out The Old Belt Afterward, take the old belt out.

John deere 212 mower deck belt diagram

John deere 212 mower deck belt diagram

What Size Belt Is Needed for a John Deere 214 Mowing Deck ... Deck sizes for the 200 series are 38 and 46 inches. However, the same belt size will work for either deck size. The belt length is determined by measuring the circumference of the belt when... John Deere 212 throwing deck drive belt - TractorByNet I cannot seem to find any parts diagram for a JD 212 garden tractor. could there be a much longer model number? Is the clutch to engage the drive to the mower deck an electric clutch or a lever and pulley system? Posting some photos would be a big help in understanding what is happening. Dave M7040 John Deere Parts Diagram & Parts Search - Green Farm Parts John Deere parts lookup tool and diagram is an incredible online source. It is a complete catalog that shows you detailed parts diagrams of every part of your machine. This online parts catalog is robust and easy to use. Searching for your John Deere parts online has never been easier.

John deere 212 mower deck belt diagram. John Deere Models 200 210 212 214 216 Parts John Deere 200 210 212 214 216; John Deere 200 210 212 214 216. Products [45] ... John Deere Leveling Gauge for Mower Deck Blade Height - AM130907 (2) $7.15. Add To Cart. ... John Deere 46 Inch Deck Belt Set (0) $60.18. Add To Cart. Quick View. John Deere GF-3 Turf-Gard 10W30 Engine Oil (0) PDF John Deere 214 Parts Manual - scene.gainesville.com Find iGrade Parts in the John Deere Parts Catalog Riding Mower Deck Belt Diagrams DIY Repair Manual AYP - MTD, John Deere, Sears Craftsman How a john deere variator works Need Some Mower Help: John Deere 112 Variable Speed Variator How to change the front-drive belt on a John Deere 110, 112, 200, 208, 210, 212, 214, \u0026 216. PDF John Deere 111 Deck Belt Diagram - annualreport.psg.fr lawn tractor parts 42 mower deck weingartz, john deere 111 mower belt diagram ask me help desk, i can not find a belt diagram for my john deere 112 i can, john deere 111 deck belt ebay, john deere 42 mulching deck 38 amp 42 standard deck, 42 inch mower deck parts for l111 john deere, maintenance reminder sheet l111 with John deere belt diagram 42" mower - Ask Me Help Desk New Member. Apr 15, 2012, 06:00 PM. John deere belt diagram 42" mower. Borrowed sisters LA115 John Deere Lawn Tractor. It has a 42 " deck. I broke the belt and need a diagram so I can put a new one on without paying the hefty service call. Any help would be AWESOME !

Amazon.com: john deere 212 deck parts 8TEN Flat Idler Pulley for John Deere CT CTH GT Husqvarna Lawn Mower Tractor 131494 173438 532131494 2 Pack. 4.8 out of 5 stars. 26. $26.51. $26. . 51. Get it as soon as Thu, Feb 10. ARIMain - WEINGARTZ - lawn mower parts John Deere Parts Lookup -John Deere-46-IN MID-MOUNT ROTARY MOWER (210, 212, 214 & 216 TRACTORS) -PC1938 John Deere 212 (Secondary Variator ... - V-Belt Guys Search John Deere 212 (Secondary Variator Drive) Riding Lawn Mower Replacement Belt Original Equipment Manufacturer John Deere OEM Part Number M44121 Machine Riding Lawn Mower Model 212 (Secondary Variator Drive) Belt Type 5LK/BK Aramid VBG Replacement Id APPL688325 Technical Specifications: (Inches) (mm) Outside Circumference 68.00 1727.20 Top Width 0.63 15.88 Belt How to Install the Mower Drive Belt for a John Deere 212 ... How to Install the Mower Drive Belt for a John Deere 212 Lawn Tractor. The mower drive belt on the John Deere 212 lawn tractor runs both blades mounted benea...

PDF John Deere Lawn Garden Tractor Parts Manual - Jensales John Deere Lawn Garden Tractor Parts Manual - Jensales john deere 212 belt diagram - MAYBENOW yes there is a flat metal bar that attaches the lever that lifts the mower deck to the left side of the blower. Can provide more detail if necessary. This bar should show on a diagram for the blower. Guest14723904 Hi I bought a used 212 John Deere riding lawn mower and it came with a snow blower attachment. belt diagram for a john deere 212 | Weekend Freedom Machines diagram for 212 38 inch mowing deck Hello, I am looking for help to replace the belt for the mowing deck on a 1978 212 lawn tractor. A picture or diagram to follow would be great. Thank you. Debbie Save Reply T tommyhawk Registered Joined Sep 1, 2003 2,610 Posts #3 · Aug 23, 2016 Hers's one for the engine to mower deck. John Deere Model 212 Lawn and Garden Tractor Parts John Deere Complete Replacement Seat Assembly - AM102953. (16) $175.33. Usually available. Add to Cart. Quick View.

John Deere decks by crigby

John Deere decks by crigby

PDF John Deere 200, 208, 210, 212, 214 and 216 Lawn and Garden ... nance information for the John Deere 200, 208, 210, 212. 214 and 216 Lawn and Garden Tractors and attachments through 1982 model (SN 195,001-). The manual is divided mto sections. Each section pertains to a certain component or operational system of the tractor or attachment. The information is divided

John Deere 212 Drive Belt questions - TractorByNet

John Deere 212 Drive Belt questions - TractorByNet

ARIMain - WEINGARTZ - lawn mower repair john deere 46-in mid-mount rotary mower (210, 212, 214 & 216 tractors) -pc1938 mower deck drive assembly,sheaves,idlers & belts: 46" mid-mount rotary mower 200 series tractors Zoom Image

John Deere GX25628 42-in Deck/Drive Belt for Zero-Turn Mowers ...

John Deere GX25628 42-in Deck/Drive Belt for Zero-Turn Mowers ...

john deere 212 belt replacement mower deck - MAYBENOW john deere 212 belt replacement mower deck . by Guest10102578 | 12 years, 8 month(s ... 0 LIKES Like UnLike. looking for a diagram for the top mower deck belt Tags: 212, belt, deck, Deere, JOHN, mower, replacement Report. Answer The Question I've Same Question Too Follow Question. 2 ANSWERS. Sort By: Date | Rating. Guest28077335 Does any one ...

How to replace a drive belt on a John Deere 210 or any John Deere with a  Vari-Drive System

How to replace a drive belt on a John Deere 210 or any John Deere with a Vari-Drive System

John Deere 112 Garden Tractor Parts - Mutton Power The John Deere 112 was produced from 1966 to 1974 and came with round fenders in 1966-1967 and square fenders in 1968-1974. The 112H came with hydraulic deck lift and both were equipped with a Gear drive transmission, 38" or 46" Mower Deck and 10hp Tecumseh motor up to SN production 250000 when it switched to 12 hp Kohler (10hp Kohlers were an ...

210 Mower Deck Belt Routing | My Tractor Forum

210 Mower Deck Belt Routing | My Tractor Forum

John Deere Lawn & Garden Belt Routing Guide John Deere Lawn & Garden Belt Routing Guide All Images Belong to John Deere Document Created By: jd2007 MyTractorForum.com X700, X720, X724, X728, X729 * These machines are shaft driven therefore they have no traction drive belt. 48" Deck *54" Convertible Deck, 62" Convertible Deck, & 60" Drive-Over Belts Are Routed The Same

John Deere 216 part 1

John Deere 216 part 1

Operator's Manual for John Deere 210, 212, 214, and 216 ... wiring-diagram-john-deere-210-212-214-216-garden-tractor (375KB) One more tip: To Change Drive Belt Jack up the right side of tractor Take off the right rear tire Lift the front pully up and hold in place with a pry bar Remove pully by removing the three bolts You can now install or adjust the belt When done, replace pully and wheel by Where I Go

1975 John Deere 212

1975 John Deere 212

Diagram for 212 JD Mower Deck Belt - SSB Tractor Does anyone know where I can see a diagram online of a 212 mower deck belt diagram? I lost my manual and I can't get the belt back on correctly .. Thanks Gary: scott: Is it a 39 or 47? Gary: It is a 47 Thanks much Gary: scott: copy this exactly as it is and paste it in adress bar on browser. the diagram will show in your browser.

314 deck belts, plus mule drive bearing replacement | Weekend ...

314 deck belts, plus mule drive bearing replacement | Weekend ...

Belts John Deere This is a John Deere 110 112 212 214 216 46″ 47″ Mower Deck Belt. This is an aftermarket part. Part listed replaces part numbers and fits machines listed, however there can be other part numbers depending on when the machine was built. Is in the lower 48 states. It's not always best or cheapest to pack in large box.

AM37102 - Brake Band fits John Deere | AFTERMARKET.SUPPLY

AM37102 - Brake Band fits John Deere | AFTERMARKET.SUPPLY

John Deere 212 Garden Tractor Parts - Mutton Power Regular Maintenance should be performed on the 212 every 50 hours and should include Spark Plug, Air Filter, Oil Filter with new oil and the sharpening or replacing mower blades. 16 items 1 John Deere 38" Low Lift Side Discharge Mower Blade Set - M82408 (M82408) $18.22 Quick View Compare John Deere 38/39 Primary Deck Drive Belt - M47766 (M47766)

JOHN DEERE Farm Equipment For Sale in WALCOTT, IOWA - 2,702 ...

JOHN DEERE Farm Equipment For Sale in WALCOTT, IOWA - 2,702 ...

TractorData.com John Deere 212 tractor information John Deere 212 Engine. 12HP Kohler 476cc 1-cyl gasoline. Fuel tank. 3.5 gal. 13.2 L. Engine details ... John Deere 212 Transmission. 4-speed gear. Transmission details ...

john deere 212, deck belt woes | Garden Tractor Forums

john deere 212, deck belt woes | Garden Tractor Forums

john deere 214 deck belt - YouTube john deere 214 deck belt

48

48" JOHN DEERE 212 Mower Deck Lawn And Garden Tractor Parts ...

John Deere Parts Diagram & Parts Search - Green Farm Parts John Deere parts lookup tool and diagram is an incredible online source. It is a complete catalog that shows you detailed parts diagrams of every part of your machine. This online parts catalog is robust and easy to use. Searching for your John Deere parts online has never been easier.

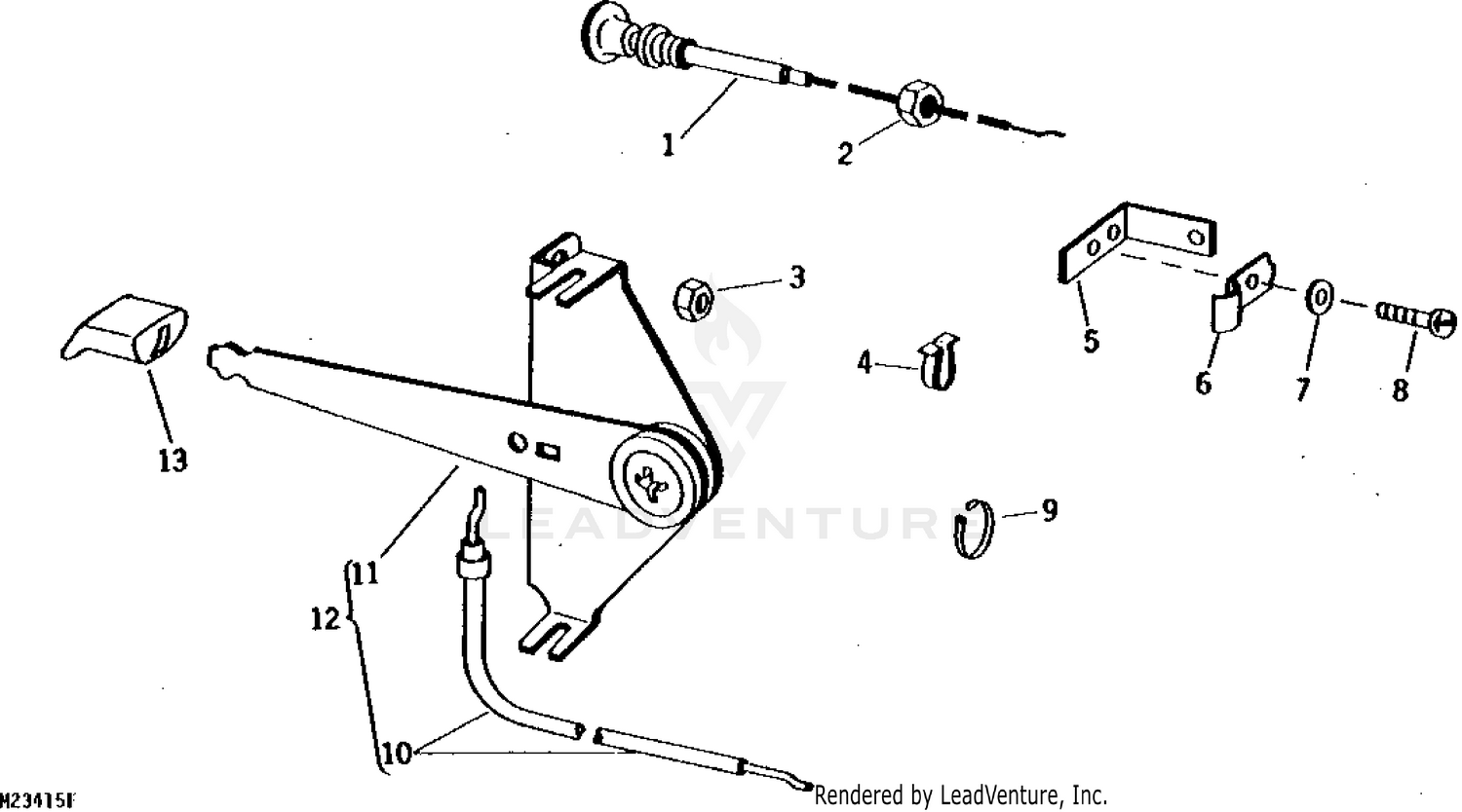
John Deere 212 TRACTOR -PC1473 MOWER DRIVE BELT TIGHTENER ...

John Deere 212 TRACTOR -PC1473 MOWER DRIVE BELT TIGHTENER ...

John Deere 212 throwing deck drive belt - TractorByNet I cannot seem to find any parts diagram for a JD 212 garden tractor. could there be a much longer model number? Is the clutch to engage the drive to the mower deck an electric clutch or a lever and pulley system? Posting some photos would be a big help in understanding what is happening. Dave M7040

John Deere 212 TRACTOR -PC1473 PTO CONTROLS 210,212,214 & 216 ...

John Deere 212 TRACTOR -PC1473 PTO CONTROLS 210,212,214 & 216 ...

What Size Belt Is Needed for a John Deere 214 Mowing Deck ... Deck sizes for the 200 series are 38 and 46 inches. However, the same belt size will work for either deck size. The belt length is determined by measuring the circumference of the belt when...

John Deere D100 Mower deck modification | My Tractor Forum

John Deere D100 Mower deck modification | My Tractor Forum

John Deere 212 TRACTOR -PC1473 THROTTLE & CHOKE CONTROL ...

John Deere 212 TRACTOR -PC1473 THROTTLE & CHOKE CONTROL ...

John Deere 212 v belt

John Deere 212 v belt

John Deere 175 Hydro mower Help needed Please

John Deere 175 Hydro mower Help needed Please

Georges Mower Parts - Home | Facebook

Georges Mower Parts - Home | Facebook

212 PTO Clutch confusion... | Green Tractor Talk

212 PTO Clutch confusion... | Green Tractor Talk

belt diagram for a john deere 212 | Weekend Freedom Machines

belt diagram for a john deere 212 | Weekend Freedom Machines

Amazon.com : JohnDeere M43820 Drive Belt Mower Deck 200 210 ...

Amazon.com : JohnDeere M43820 Drive Belt Mower Deck 200 210 ...

F1145 front deck, thowing belt instantly | My Tractor Forum

F1145 front deck, thowing belt instantly | My Tractor Forum

John Deere 212 throwing deck drive belt - TractorByNet

John Deere 212 throwing deck drive belt - TractorByNet

How to change the front-drive belt on a John Deere 110, 112, 200, 208, 210,  212, 214, & 216.

How to change the front-drive belt on a John Deere 110, 112, 200, 208, 210, 212, 214, & 216.

John Deere 216 TRACTOR -PC1473 VARIATOR CLUTCH & DRIVE BELTS ...

John Deere 216 TRACTOR -PC1473 VARIATOR CLUTCH & DRIVE BELTS ...

212 service manual | Weekend Freedom Machines

212 service manual | Weekend Freedom Machines

Mower Deck Drive Belt For 42-Inc 42C Mower Decks | Genuine ...

Mower Deck Drive Belt For 42-Inc 42C Mower Decks | Genuine ...

John deere 212 Mower Deck | My Tractor Forum

John deere 212 Mower Deck | My Tractor Forum

John Deere 212 Belts Online Deals, UP TO 56% OFF | www.bel ...

John Deere 212 Belts Online Deals, UP TO 56% OFF | www.bel ...

John Deere 110 112 Lawn Tractor Deck Belt Tensioner Hanger AM31449 AM38171  | eBay

John Deere 110 112 Lawn Tractor Deck Belt Tensioner Hanger AM31449 AM38171 | eBay

Howdy | Green Tractor Talk

Howdy | Green Tractor Talk

JD 430 60

JD 430 60" Mower Deck Belt Routing | Weekend Freedom Machines

John Deere 46-IN MID-MOUNT ROTARY MOWER (210, 212, 214 & 216 ...

John Deere 46-IN MID-MOUNT ROTARY MOWER (210, 212, 214 & 216 ...

John Deere M47766 Mower Deck Drive Belt 39 47 210 212 214 216 ...

John Deere M47766 Mower Deck Drive Belt 39 47 210 212 214 216 ...

SOLVED: I am needing a diagram to replace the mower deck - Fixya

SOLVED: I am needing a diagram to replace the mower deck - Fixya

JOHN DEERE 212 Replacement Hood Decal set 210 214 216 | eBay

JOHN DEERE 212 Replacement Hood Decal set 210 214 216 | eBay

John Deere 212 throwing deck drive belt - TractorByNet

John Deere 212 throwing deck drive belt - TractorByNet

455 Deck Belt Diagram | My Tractor Forum

455 Deck Belt Diagram | My Tractor Forum

Newbie Needs To Attach Mowing Deck JD 1984 212 | Weekend ...

Newbie Needs To Attach Mowing Deck JD 1984 212 | Weekend ...

john deere 212 | Garden Tractor Forums

john deere 212 | Garden Tractor Forums

Need assistance with a Part number (Model 47 Mower Deck woes ...

Need assistance with a Part number (Model 47 Mower Deck woes ...

TractorData.com John Deere 212 tractor information

TractorData.com John Deere 212 tractor information

TractorData.com John Deere 214 tractor information

TractorData.com John Deere 214 tractor information

John Deere 212 throwing deck drive belt | Weekend Freedom ...

John Deere 212 throwing deck drive belt | Weekend Freedom ...

0 Response to "45 john deere 212 mower deck belt diagram"

Post a Comment

Iklan Atas Artikel

Iklan Tengah Artikel 1

Iklan Tengah Artikel 2

Iklan Bawah Artikel