Iklan 300x250

44 john deere 2040 hydraulic system diagram

OPERATION AND SERVICE MANUAL 6081 OEM Diesel | Manualzz Operation and. Service manual. Deere Power Systems Group. John Deere OEM Engines. These accessories may be provided by the equipment manufacturer instead of. This operator's manual applies only to the engine and those options available through the John. Читаем электросхемы John Deere - Автозапчасти и автоХитрости Читаем электросхемы спецтехники John Deere. The system functional schematic is made up of equal sections to simplify searching the schematic.

34 John Deere Hydraulic System Diagram - Wiring Diagram Database Układ hydrauliczny john deere seria 40 i 50 hydraulic system john deere series 40 and 50 kundys90. Closed systems are common on construction machinery and modern farm equipment including most john deere models. John Deere 2040 Hydraulic Issues Yesterday S Tractors.

John deere 2040 hydraulic system diagram

John deere 2040 hydraulic system diagram

JOHN DEERE - Service Manual Download John Deere 2040, 2240 Tractors Technical Manual (TM1221). John Deere Planter Monitoring Systems Technical Manual (TM1270). John Deere 200 & 900 Series Cutting Platforms, 40 & 90 Series Corn Heads, 50 & 50A Series Row Crop Heads Technical Manual (TM1581). John Deere 2040 technical specs, dimensions, horsepower, fuel... Braking system. hydraulic wet disc. Cabin type. John Deere produced its 2040 farm tractor model From 1976 Until 1982 in United states with a Two-post Roll-Gard ROPS cabin. This John Deere 2040 is powerd by a diesel engine it has 164.4 ci or 2.7 L 3 cylinders the fuel tank capacity is 16.5 gal... Hydraulic Systems for John Deere 2040 Tractors | TractorJoe.com Fits John Deere 2040 Tractors (Use S/N 350000-> for Machines Manufacturer in USA, & S/N). Fits John Deere 2040 Tractors (Used w/ Keyed Shaft Hydraulic Pump, S/N 349999 & Below, Made in Waterloo, Iowa, Order Qty.

John deere 2040 hydraulic system diagram. Amazon.com: JD202 I & T Shop Service Manual Fits John Deere 2040... Our payment security system encrypts your information during transmission. We don't share your Make sure this fits by entering your model number. Includes electrical wiring diagram for 2040, 2240 One New Aftermarket I & T Shop Service Manual Fits John Deere Models: -2040 -2240 -2440 -2510... John Deere 2040, 2240 Tractor TM1221 Technical Manual PDF Make: John Deere. Region: WorldWide. Group 05 - Hydraulic System Operation. Genuine John Deere Diagnostic Kit EDL Electronic Data Link v3 diagnostic KIT: Storage Box (Part # SA5025), USB Cable (Part # SA5026), DS10150 (Part # DS10150) , EDL v3 Wireless Adapter (Part # SA5022). John Deere 2040 Hydraulic squeal fixed or not? - TractorByNet | Forum John Deere 2040. I removed the check valve between the transmission hydraulic pump and the front main pump, and the squeal from the front pump is I did notice that in one john deere schematic the check valve was on the supply line that goes to the oil reservoir, and on another diagram the check... JOHN DEERE 2040 TRACTOR Service Repair Manual JOHN DEERE LX176 LAWN GARDEN TRACTOR Service Repair Manual. This is the Highly Detailed factory service repair manual for theJOHN DEERE 2040 TRACTOR, this Service Service Repair Manual Covers: General Engine Fuel and Air Intake System Electrical System Power Train...

John Deere 2040 Hydraulic System Diagram How Do I Troubleshoot John Deere Hydraulic Systems?. John Deere is the premier name in all things to do with tractors. Hydraulic fluid in the John Deere 2010 was extremely low so decided to just drain out what was left and put new in. TM4300 - John Deere 2040 Utility Tractors (SN. 010001-349999)... Illustrated Factory Diagnostic and Repair Technical Service Manual for John Deere Tractors Models 2040. This manual contains high quality images, circuit diagrams, instructions to help you to maintenance, troubleshooting, diagnostic, and repair your truck. John Deere 2040 Tractor Specifications Starter volts: 12. John Deere 2040 Transmission. Transmission: collar shift - reverser. Gears: 8 forward and 4 reverse. Speeds: With 13.6-28 rear tires. Brakes: hydraulic wet disc. Cab: Two-post Roll-Gard ROPS. John Deere 2040 Hydraulics. HydraulicsType: open center. TractorData.com John Deere 2040 tractor information Series: 2040. → 2240. Production. Manufacturer: John Deere. Type: Utility tractor. Factory: Mannheim, Baden-Württemberg, Germany. John Deere 2040 Power. PTO (claimed)

72 John Deere Service Manuals Free Download - Truck manual, wiring... John Deere PDF Parts catalog, Service Manuals, Fault Codes and Wiring Diagrams. John Deere Diesel engines Powertech 4.5L and 6.8L Level 11 Fuel systems with Denso HPCR - Workshop Manual.pdf. John Deere 7200 Operator manual. John Deere 7720 Hydraulic System Test. John Deere 2040, 2240 Tractors Repair Service Manual John Deere 2040, 2240 Tractor Technical Service Manual - 586 Pages. 00 - Specifications and Special Tools Group 05 - Power Steering Group 10 - Brakes SECTION 70 - HYDRAULIC SYSTEM Group 00 - Specifications and Special Tools Group 05 - Hydraulic System Operation Group 06... JD 2040 Hydraulic Problem | Green Tractor Talk My 2040 hydraulics died. JD 2040 Hydraulic Problem. Jump to Latest Follow. :greentractorride::greentractorride:J:greencart: ickup: John Deere 2030 w/245SL Loader John Deere 6415 w/640SL Loader John Deere 285 50" deck Stolen May 2017 John Deere x485 62" deck AWS... PDF Hydraulic Excavators | E210 | E210 LC | E230 LC | E240 | E240 LC Intelligent Hydraulic (JD-IHC) system is fully integrated with the Deere PowerTech™ engine to provide fast, smooth response. Expanded bucket options help improve cycle times, while additional auxiliary hydraulic lines allow you to run a wide variety of attachments. And with a new cab interior featuring...

3PH

3PH "LIFT" not working on my 2040 - TractorByNet

PDF cyltab | Deere Power Systems Group OMRG25204 (20MAY96) | Forum John Deere LIQUID COOLANT CONDITION is recommended as a supplemental coolant additive in John Deere engines. Included in the manual are specications, diagnosis, and adjustments; also illustrations of assembly and disassembly procedures, hydraulic oil ows, and wiring diagrams.

GRIP (RIGHT) for YA50R 1996 3UG1 SWITZERLAND 263UG-361G1 ...

GRIP (RIGHT) for YA50R 1996 3UG1 SWITZERLAND 263UG-361G1 ...

John Deere 2040 (40 Series) parts | UK branded tractor spares Buy John Deere 2040 (Agricultural Tractor - 40 Series) Parts and a massive range of tractor replacement spare parts & accessories. If you are looking for John Deere engine parts you may want to have the additional confidence that it fits the exact engine your model 2040 tractor uses by ensuring...

TM4363 - John Deere 1640, 1840, 2040, 2040S Tractors ...

TM4363 - John Deere 1640, 1840, 2040, 2040S Tractors ...

129 John Deere Service Repair Manuals PDF... | Truckmanualshub.com John Deere tractors, combines & lawn mowers service repair manuals, wiring diagrams, fault codes list; john deere parts catalog download. John Deere 6620 Hydraulic System Test.pdf. 27.5Mb. John Deere Diesel engines Powertech 4.5L and 6.8L Level 11 Fuel systems with Denso HPCR...

John Deere 1050, 850, 900HC, 950 Utility Tractors Technical ...

John Deere 1050, 850, 900HC, 950 Utility Tractors Technical ...

John Deere 2040 Tractor Service Manual S N 100 001 349 999 | Tractor John deere or IT's successors. 80 - MISCELLANEOUS Group 10 - Components and Wiring Diagram Group 05 - Belt Pulley Group 15 - Starting Motor Group 10 - Seat Group 20 Litho in U.S.A. 70 Hydraulic System Tractor - 2040 20-2 Rockshaft (Open Center System) TM-4300 (Sept-77).

How to Check Your John Deere Filter Bypass Valve

How to Check Your John Deere Filter Bypass Valve

John Deere 2040 Hydraulic System - Bing images Explore more searches like John Deere 2040 Hydraulic System. People interested in John Deere 2040 Hydraulic System also searched for.

ROD, LINK for 40 (MH/ER/TR/50ER)X 1999 - order at CMSNL

ROD, LINK for 40 (MH/ER/TR/50ER)X 1999 - order at CMSNL

John Deere Hydraulic System Diagram - Free Diagram For Student John deere skidder jd440 electrical system and wiring diagram pamphlet photocopy. A qualified repair shop or person of the owners choosing may maintain 2040 Hydraulics. Hydraulic Oil Reservoir Oil Cooler 23 Traktor John Deere 2140. John Deere Hydraulic System Diagram Www Picswe Com.

JOHN DEERE 2040 TRACTOR Service Repair Manual

JOHN DEERE 2040 TRACTOR Service Repair Manual

PDF John Deere 2040 Tractor Operators Manual John Deere. Model: 2040 Serial Number 266,715 - 349,999. This is a Manual Produced by Jensales inc. Without the Authorization of John Deere or IT's Successors. HYDRAULIC SYSTEM. Closed center system with maximum pres- sure of 155 bar (2250 psi).

John Deere 1020 with poor hydraulic pressure - TractorByNet

John Deere 1020 with poor hydraulic pressure - TractorByNet

John Deere hydraulic cylinder rebuild - YouTube John Deere hydraulic cylinder rebuild. Смотреть позже.

John Deere 2040 TRACTOR WITH ROLL-GARD & CANOPY -PC1763 ...

John Deere 2040 TRACTOR WITH ROLL-GARD & CANOPY -PC1763 ...

John Deere 2040 Tractor Technical Data John Deere 2040 Technical Specifications: Engine Data, Transmission and Power Take-Off, Wheels and Tires, Hydraulic System and Steering, Dimensions and Weight.

JD Service Publications

JD Service Publications

John Deere 2040 (1980-1982) tractor: review and specs - Tractor Specs The John Deere 2040 utility tractor used the John Deere engine. The compression ratio rating is 16.7:1. This engine produced 40.5 PS (29.8 kW; 40.0 HP) at 2,500 rpm of output power. The JD 2040 is equipped with power assist steering, hydraulic wet disc brakes, two-post Roll-Gard ROPS, and 62.5...

Hydraulic pump (8-piston) AR103036 John Deere OEM:AR103036 ...

Hydraulic pump (8-piston) AR103036 John Deere OEM:AR103036 ...

Hydraulic Systems for John Deere 2040 Tractors | TractorJoe.com Fits John Deere 2040 Tractors (Use S/N 350000-> for Machines Manufacturer in USA, & S/N). Fits John Deere 2040 Tractors (Used w/ Keyed Shaft Hydraulic Pump, S/N 349999 & Below, Made in Waterloo, Iowa, Order Qty.

John Deere 2040 hydraulic problem | Green Tractor Talk

John Deere 2040 hydraulic problem | Green Tractor Talk

John Deere 2040 technical specs, dimensions, horsepower, fuel... Braking system. hydraulic wet disc. Cabin type. John Deere produced its 2040 farm tractor model From 1976 Until 1982 in United states with a Two-post Roll-Gard ROPS cabin. This John Deere 2040 is powerd by a diesel engine it has 164.4 ci or 2.7 L 3 cylinders the fuel tank capacity is 16.5 gal...

Jd 2940 hydraulic pump - General Chat - Red Power Magazine ...

Jd 2940 hydraulic pump - General Chat - Red Power Magazine ...

JOHN DEERE - Service Manual Download John Deere 2040, 2240 Tractors Technical Manual (TM1221). John Deere Planter Monitoring Systems Technical Manual (TM1270). John Deere 200 & 900 Series Cutting Platforms, 40 & 90 Series Corn Heads, 50 & 50A Series Row Crop Heads Technical Manual (TM1581).

John Deere 2040, 2240 Tractors Repair Service Manual

John Deere 2040, 2240 Tractors Repair Service Manual

JD 2040 Hydraulic Problem | Green Tractor Talk

JD 2040 Hydraulic Problem | Green Tractor Talk

john deere 2040 hydrolic problem - TractorByNet

john deere 2040 hydrolic problem - TractorByNet

JOHN DEERE 2040 TRACTOR Service Repair Manual

JOHN DEERE 2040 TRACTOR Service Repair Manual

John Deere 1020, 1120, 1630 Tractors Technical Service Manual ...

John Deere 1020, 1120, 1630 Tractors Technical Service Manual ...

John Deere 310SL HL Backhoe Loader PARTS CATALOG (PC11325 ...

John Deere 310SL HL Backhoe Loader PARTS CATALOG (PC11325 ...

John Deere Hydraulic Pumps & Components (Page 81) | Sparex ...

John Deere Hydraulic Pumps & Components (Page 81) | Sparex ...

John Deere 1640 1840 2040 2040S Tractors Service Repair Mnl ...

John Deere 1640 1840 2040 2040S Tractors Service Repair Mnl ...

John Deere Parts Lookup -2040 TRACTOR (MANUFACTURED 1976-1982 ...

John Deere Parts Lookup -2040 TRACTOR (MANUFACTURED 1976-1982 ...

2020 Hydraulics shuddering

2020 Hydraulics shuddering

Hydraulic System Parts

Hydraulic System Parts

John Deere Hydraulic Pumps & Components (Page 82) | Sparex ...

John Deere Hydraulic Pumps & Components (Page 82) | Sparex ...

John Deere 2040 Tractor TM4300 Technical Manual PDF

John Deere 2040 Tractor TM4300 Technical Manual PDF

Hydraulikpumpe kompatibel zu John Deere 2955 2440 1640 2755 ...

Hydraulikpumpe kompatibel zu John Deere 2955 2440 1640 2755 ...

TM4300 - John Deere 2040 Utility Tractors (SN. 010001-349999 ...

TM4300 - John Deere 2040 Utility Tractors (SN. 010001-349999 ...

John Deere 2040 fuel tank Leak / Fuel Tank removal | My ...

John Deere 2040 fuel tank Leak / Fuel Tank removal | My ...

John Deere 1040 hydraulics | Green Tractor Talk

John Deere 1040 hydraulics | Green Tractor Talk

KITS WITH BY-PASS SYSTEM FOR JOHN DEERE 1020-2030-2040-2130 ...

KITS WITH BY-PASS SYSTEM FOR JOHN DEERE 1020-2030-2040-2130 ...

układ hydrauliczny John deere seria 40 i 50, hydraulic system john deere  series 40 and 50

układ hydrauliczny John deere seria 40 i 50, hydraulic system john deere series 40 and 50

John Deere 2040 and 2240 Tractors Service Technical Manual ...

John Deere 2040 and 2240 Tractors Service Technical Manual ...

2040 hydraulic problem | Green Tractor Talk

2040 hydraulic problem | Green Tractor Talk

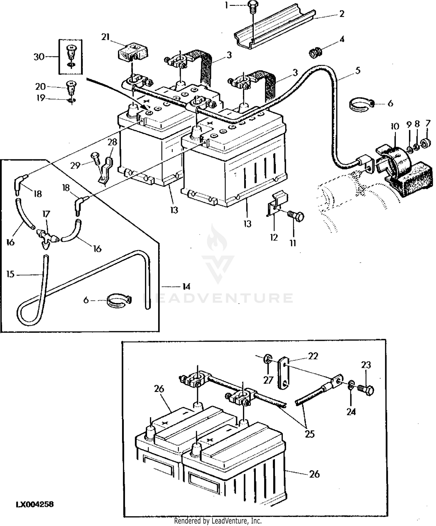
John Deere 2755 TRACTOR -PC4215 BATTERY: ELECTRICAL

John Deere 2755 TRACTOR -PC4215 BATTERY: ELECTRICAL

John Deere Parts Lookup -2040 TRACTOR (MANUFACTURED 1976-1982 ...

John Deere Parts Lookup -2040 TRACTOR (MANUFACTURED 1976-1982 ...

HYDRAULIC PUMP - MODEL CA1 23 CM3 (1.38 IN.3) [02B11 ...

HYDRAULIC PUMP - MODEL CA1 23 CM3 (1.38 IN.3) [02B11 ...

THREE POINT HITCH - HOOK DRAFT LINKS [70] - TRACTOR John ...

THREE POINT HITCH - HOOK DRAFT LINKS [70] - TRACTOR John ...

John Deere Parts Lookup -2040 TRACTOR (MANUFACTURED 1976-1982 ...

John Deere Parts Lookup -2040 TRACTOR (MANUFACTURED 1976-1982 ...

John Deere Shop Manual Jd-202 Models: 2510, 2520, 2040, 2240 ...

John Deere Shop Manual Jd-202 Models: 2510, 2520, 2040, 2240 ...

Jd 2040 front end loader valve install | Green Tractor Talk

Jd 2040 front end loader valve install | Green Tractor Talk

NEW MERCEDES-BENZ GLS X166 EXPANSION RESERVOIR HOSE ...

NEW MERCEDES-BENZ GLS X166 EXPANSION RESERVOIR HOSE ...

John Deere 2040 hydraulic problem | Green Tractor Talk

John Deere 2040 hydraulic problem | Green Tractor Talk

401b john deere with hyd. problems | My Tractor Forum

401b john deere with hyd. problems | My Tractor Forum

2 Responses to "44 john deere 2040 hydraulic system diagram"

Iklan Atas Artikel

Iklan Tengah Artikel 1

Iklan Tengah Artikel 2

Iklan Bawah Artikel