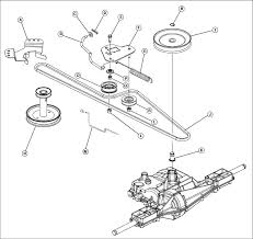
44 john deere mower belt diagram
Aug 14, 2018 · John Deere La145 Belt Routing Diagram. 6. GX .. BELT - TRACTION DRIVE. 7 LA with 48” Deck PRINT Valuable Parts Coupons for discounts at your John Deere Dealer. • ORDER. Make sure belt is routed through both belt guide loops (I). If the mower engagement rod is not adjusted properly, the mower belt may slip or drag on blade. John Deere AG, Lawn & Garden and CWP Equipment Parts Search. John Deere parts lookup tool and diagram is an incredible online source. It is a complete catalog that shows you detailed parts diagrams of every part of your machine. This online parts catalog is robust and easy to use. Searching for your John Deere parts online has never been easier.
Aug 11, 2018 · And find more John Deere information about your lawn mower from our parts catalogs, maintenance & repair sheets, do it yourself videos, and more. Aug 15, · SOURCE: need mower deck belt diagram for L John Deere I have found the manual at JD's website. Click the link and scroll down in the left .

John deere mower belt diagram
John Deere 272 grooming mower belt diagram. Jump to Latest Follow 1 - 7 of 7 Posts. JohnnyWires · Registered. Joined Mar 28, 2018 · 52 Posts . Discussion Starter · #1 · Sep 1, 2018. SO I'm sure there are a million posts about this mower deck however I can't seem to find one specific to my needs. ... John Deere Mower Deck Drive Belt Tightener Spring - GX (39). $ Shop John Deere G Lawn Tractor Parts - Using Quick Parts Reference Guide Using Weingartz Illustrated Diagrams to view an illustrated diagram or call us at Mower Deck including: a spark plug, a blade, an air filter, an oil filter, a belts, . Apr 02, 2021 · Before installing a new one, you need to comprehend the whole mechanism of how the mower belt is installed. And the perfect way to start that is by going online and downloading the John Deere lawn mower belt diagram, which clearly shows the comprehensive configuration. John Deere lawn mower belt diagram
John deere mower belt diagram. John Deere STX46 Riding Mower Belt Drive Deck 46 John Deere STX46 Lawn Garden Specialty Belts Riding Mower M119539The Classical V-belt achiev. CALL US AT 855 669-7278. On John Deere Lx188 Drive Belt Diagram. Clean The Deck. A diagram should appear in the right hand corner. As you can see below i added the diagram to the john deere l120 belt. John Deere 110 Parts Diagram for Belts. Order Status. Get Support. 1-877-737-2787. Hours of Operation. M-F 9a-6p ET. Sat 9a-5p ET. Sun (Closed) Contact Us ». The John Deere 54 in. Deck Drive Belt is designed to replace your John Deere riding mower drive belt. The long-lasting aramid cords provide strength for your mower’s high horsepower demands. It is compatible with John Deere riding mower models D and LA/5(10).SOLVED: Need belt diagram for john deere d - FixyaJohn deere d belt diagram 54" deck ... Apr 14, 2019 · Google this search term - john deere stx38 mower belt routing diagram - you will find several routing diagrams in the "images" link that comes. Overall view. Overall view of STX38 Gear drive belt (#1). John Deere 1990s Deck Belt Graphics. John Deere Tractor STX38 and STX46 Gear Drive Belts (Black Deck) - Deere diagram; # Deere.
I need a belt diagram for the primary and secondary belts of a John Deere 165 Hydro riding lawn mower with a 38 inch deck and electro magnetic clutch. I guess you thought it would be easy, but there were two deck used. Slightly different but the trick is to look at the spindle housings on the deck. 3 bolts (cast iron) or 4 bolts (aluminum ... John Deere La105 Belt Diagram. The John Deere LA lawn tractor provides a inch cutting width and a 1- to The mower deck holds the blades, which are driven by a pulley and belt system. Removing or Installing Mower Drive Belt at Engine Drive Sheave ( cm (48 in.) To install the belt on the drive sheave, rotate idler sheave nut clockwise to. The John Deere 48 mower deck belt pattern diagram can be obtained from most John Deere dealerships. Many times when you purchase the belt the parts store will give you a belt pattern diagram. Apr 02, 2021 · Before installing a new one, you need to comprehend the whole mechanism of how the mower belt is installed. And the perfect way to start that is by going online and downloading the John Deere lawn mower belt diagram, which clearly shows the comprehensive configuration. John Deere lawn mower belt diagram
John Deere Mower Deck Drive Belt Tightener Spring - GX (39). $ Shop John Deere G Lawn Tractor Parts - Using Quick Parts Reference Guide Using Weingartz Illustrated Diagrams to view an illustrated diagram or call us at Mower Deck including: a spark plug, a blade, an air filter, an oil filter, a belts, . John Deere 272 grooming mower belt diagram. Jump to Latest Follow 1 - 7 of 7 Posts. JohnnyWires · Registered. Joined Mar 28, 2018 · 52 Posts . Discussion Starter · #1 · Sep 1, 2018. SO I'm sure there are a million posts about this mower deck however I can't seem to find one specific to my needs. ...
0 Response to "44 john deere mower belt diagram"
Post a Comment