41 toyota corolla cooling system diagram
Home Toyota Toyota 2009 Toyota Corolla S 2009 Toyota Corolla S 2009 - ALL Wiring Diagrams. 1.8L, Cooling Fan Wiring Diagram, TMC Made. Toyota Corolla Repair Manual Cooling Cooling fan system Inspection. Stop Lights Page L-3 4. Corolla Alternator Wiring Diagram Alternator 1987 Toyota Fork Lift Electrical Wiring Diagram Diagrams Eternal Rush Cooling Fan Not Working I Have Just Replaced The Thermostat On 2001...
Toyota Corolla 5afe Engine Control Unit Circuit Diagram Male Reproductive System Diagram Se 10 Answers, Introduction To Robotics Mechanics And Control John J Craig Solution Manual, Panzer General Units Guide, Bmw 316 Engine Cooling Sistem, Cat 3508 Engine...

Toyota corolla cooling system diagram
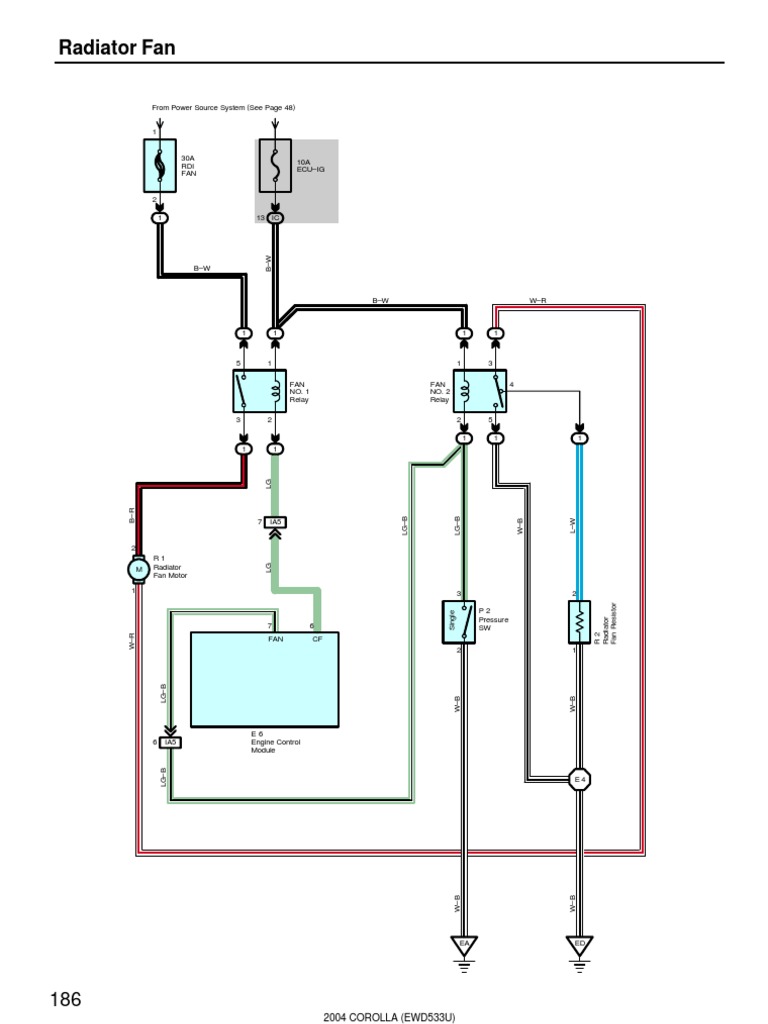
Cooling System Toyota corolla - Download as PDF File (.pdf), Text File (.txt) ... COOLING FAN SYSTEM CO-5 SYSTEM DIAGRAM Engine Coolant Toyota Corolla Engine Cooling System Diagram PDF is available at our online library. With our complete resources, you could find 1995... Replace 2003-2008 Toyota Corolla Cooling Fan, How to Change Install 2004 2005 2006 2007 TO3115129. 2002 SYSTEM WIRING DIAGRAMS TOYOTA Corolla ECT Sensor & Wiring Diagram Toyota - Car Manual PDF & Diagnostic Trouble Codes 2004 COROLLA ELECTRICAL WIRING DIAGRAM Cooling Fans & Wiring Diagram Toyota engine repair manual free download | Automotive ...
Toyota corolla cooling system diagram. Toyota Corolla 2016 Manual Online: cooling system, Ignition System. Capacity (Reference) Coolant Type Ignition System Spark Plug Make Gap Notice Iridium-Tipped Spark Plugs Use Only Iridium-Tipped Spark Plugs. Workshop and Repair manuals, Service & Owner's manual. Wiring Diagrams, Spare Parts Catalogue, Fault codes free download. Wiring diagrams. REFERENCE. Toyota Corolla 5-door Liftback. Acknowledgements. Thanks are due to Draper Tools Limited, who provided some of Cooling system Manual transmission Automatic transmission Automatic transmission differential Braking system Clutch system Power steering. Toyota Corolla (1992 - 1996) - fuse box diagram - Auto Genius Toyota Corolla Engines Corolla Engine Fan Diagram -nathan.youshouldshare.me Toyota Corolla Fuses and relays diagrams with Toyota Corolla Cooling System Switches, Sensors & Relays ... Your Toyota Corolla's radiator fan...
25: Electric Cooling Fan System Wiring Diagram (2000 Corolla) 1999 Toyota. Toyota Corolla Engine Cooling Fan Motor Relay (Lower). 8 мая 2014 г. '98 Corolla LE Looks like I'm going to have to buy a wiring diagram to get to the but that system doesn't control the cooling. On the diagram it looks like it goes through the engine, but it really is entirely on the outside . Honda also uses this system. It controls the coolant temperature going into the block rather than coming I wish whoever drew the same diagram for Toyota's 4AFE FSM made it as clear to understand as your... 92 Toyota Camry Cooling Fan Wiring Diagram Word Wiring. 3 дня назад 2004 corolla electrical diagram - radiator fan electrical components engines scribd 2004 Toyota Corolla Air Conditioning System Wiring Diagram Wiring · Ford F 150 Fuse Box Diagram · 1996 Honda Corol. Toyota Corolla Coolant Change Guide - Radiator Drain & Refill How to change the engine coolant (antifreeze) in a 2003 to 2008 Toyota Corolla by Owners of other Toyota, Scion and Lexus vehicles with similar cooling systems such as the Camry, Matrix, Yaris, Avalon, Venza, RAV4, FJ Cruiser...
Cooling System Toyota corolla - Free download as PDF File (.pdf), Text File (.txt) or read online for free. COOLING SYSTEM ON-VEHICLE INSPECTION CAUTION: Be sure that the ignition is off if you work near the electric cooling fans or radiator grille. Merely said, the diagram radiator system 97 toyota corolla is universally compatible with any devices to read. Cooling System Disassembly and Assembly on a '93-'97 Corolla Nl 7263 wiring diagram toyota camry radiator fan and condenser hyundai fans ricks free auto repair corolla gli direct issue... Toyota Corolla is a compact class car manufactured by Toyota since 1966. In 2006, the name Corolla turned 40, during which ten generations of these affordable and reliable cars were replaced, and the total volume of the transfer exceeded 32 million. More than 100+ Toyota Corolla manuals: Service, repair and owners manual for Toyota Corolla cars, as well as you can find and free download Because of this, you will not have difficulty repairing your hatchback. So to maintain in perfect condition the electrical system of Toyota Corolla, the manual...
Wiring Diagrams For Toyota Corolla Best 1993 Toyota Corolla Wiring. Toyota Corolla / Auris Electrical Wiring Diagram (EM04F1E) OVERALL See All Products Details. Cooling System Hoses Clamps for 1993 Toyota Corolla. Burping the cooling system in your Toyota refers to bleeding the...
OEM Toyota Cooling System Parts - Toyota Parts Center. If the cooling fan relay has failed, you may see warnings, such as the check engine light and the Relay locations. System circuits - EM00H0U. 2009-2010 Toyota Corolla Wiring Diagrams (EM12R1U) EM12R1U Download PDF.
Cooling fan system. Cooling system. ... Other materials: Inspection procedure 1 Check wire harness(airbag sensor assy center - front seat inner belt assy lh) Disconnect the negative (-) terminal cable from the battery, and wait at least for 90 seconds. disconnect the connectors between the...
Our website prepares 96 Corolla Cooling Fan System Diagram PDF Download Free that can be read in online and offline. In wiki says that 96 Corolla Cooling Fan System Diagram is supposed to have 320 pages
AIR CONDITIONING AC Wiring Diagram for Toyota Corolla 1993 Heater Wiring Diagram for Toyota Corolla 1993COOLING FAN Cooling Fan Wiring In other words neither fan will. Years 1991 to 2002. The supplement of the bodys electrical system does not cover repairs to the electrical system.
Toyota corolla electrical wiring diagram manual pdf download ... Toyota Corolla (2006 - 2013) - fuse box diagram - Auto Genius This video is made as a guideline to show you how to change parts of the cooling system on a 1993 to 1997 Toyota Corolla.This will show you how to remove and...
Cooling System Hoses & Clamps for 1995 Toyota Corolla for ... Engine Cooling problem 1995 Toyota Corolla 4 cyl Front Wheel Drive Automatic Good morning, the problems starts off with the Freeze plugs Page 1/2. Download File PDF 1995 Toyota Corolla Engine Cooling System Diagram.
2002 SYSTEM WIRING DIAGRAMS TOYOTA Corolla ECT Sensor & Wiring Diagram Toyota - Car Manual PDF & Diagnostic Trouble Codes 2004 COROLLA ELECTRICAL WIRING DIAGRAM Cooling Fans & Wiring Diagram Toyota engine repair manual free download | Automotive ...
Replace 2003-2008 Toyota Corolla Cooling Fan, How to Change Install 2004 2005 2006 2007 TO3115129.
Cooling System Toyota corolla - Download as PDF File (.pdf), Text File (.txt) ... COOLING FAN SYSTEM CO-5 SYSTEM DIAGRAM Engine Coolant Toyota Corolla Engine Cooling System Diagram PDF is available at our online library. With our complete resources, you could find 1995...
0 Response to "41 toyota corolla cooling system diagram"
Post a Comment