41 kenmore dryer model 110 parts diagram
Find Kenmore Dryer service manual by model number. ... Home Appliance - Type: Dryer ... Kenmore 110C67692600, Service Manual · Parts Diagrams.Parts & Accessories - Type: Service Manual This part is located on the dryer drum, around the tension pulley. Refer to your user manual and model number for repair instructions and to ensure this part is ...
The best way to find parts for Kenmore / Sears dryer model 110.78102310 (11078102310, 110 78102310) is by clicking one of the diagrams below. You can also browse the most common parts for Kenmore / Sears dryer model 110.78102310.

Kenmore dryer model 110 parts diagram
Get free shipping on qualified Kenmore Dryer Parts or Buy Online Pick Up in Store today in the Appliances Department. The best way to find parts for Kenmore / Sears dryer model 110.71202015 (11071202015, 110 71202015) is by clicking one of the diagrams below. You can also browse the most common parts for Kenmore / Sears dryer model 110.71202015. Model #110C61402311 Kenmore electric dryer. Here are the diagrams and repair parts for Kenmore 110C61402311 electric dryer, as well as links to manuals and ...
Kenmore dryer model 110 parts diagram. Wiring Diagram for Kenmore Dryer Model 110 Collection - Collections Of Kenmore Dryer Model 110 Parts Diagram New Diagram Kenmore Elite. Diagrams Sample Archives Page 18 Of 100 Eugrab. Kenmore Dryer Wiring Harness Get Free Image About Wiring Diagram. Wiring Diagram In Refrigerator Inspirationa Wiring Diagram Kenmore. Kenmore Dryer Model 110.66732500 Parts. Kenmore Dryer Model 110.66732500 Parts are easily labeled on this page to help you find the correct component for your repair. Filter results by category, title and symptom. You can also view diagrams and manuals, review common problems that may help answer your questions, watch related videos, read insightful articles or use our repair help guide to get ... Original, high quality parts for Kenmore Dryer 110.76862501 in stock and ready to ship today. 365 days to return any part. Which Gas Coils For Old Kenmore 110 Dryer Doityourself Com Community Forums. Kenmore series electric dryer wiring 90 gas hums and doesn t spin homeownershub sample diagrams solved has no power at all lights latest elite he5 parts appliance talk my model 110 76962501 he4 8508 use 62922100 heat everything fixed not shutting off 63932102 constant issues sears c110 coils for old 74642400 dead ...
RESULTS 1 - 48 of 20000+ — KENMORE 80 SERIES DRYER PARTS DIAGRAM | AUTOMOTIVE PARTS . ... 3977393 Dryer Thermal Fuse For Kenmore 80 Series Model 110 Dryer ... Kenmore Washer Dryer Combo 110.88752793 (11088752793, 110 88752793) Repair Parts. The best way to find parts for Kenmore / Sears washer dryer combo model 110.88752793 (11088752793, 110 88752793) is by clicking one of the diagrams below. You can also browse the most common parts for Kenmore / Sears washer dryer combo model 110.88752793. Kenmore Dryer Model 110.68722700 Parts. Kenmore Dryer Model 110.68722700 Parts are easily labeled on this page to help you find the correct component for your repair. Filter results by category, title and symptom. You can also view diagrams and manuals, review common problems that may help answer your questions, watch related videos, read insightful articles or use our repair help guide to get ... The best way to find parts for Kenmore / Sears dryer model 110.77102310 (11077102310, 110 77102310) is by clicking one of the diagrams below. You can also browse the most common parts for Kenmore / Sears dryer model 110.77102310.
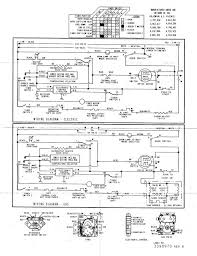
Kenmore Dryer Model 110.62062101 Parts. Kenmore Dryer Model 110.62062101 Parts are easily labeled on this page to help you find the correct component for your repair. Filter results by category, title and symptom. You can also view diagrams and manuals, review common problems that may help answer your questions, watch related videos, read insightful articles or use our repair help guide to get ... Wiring Diagram for Kenmore Dryer Model 110- wiring diagram is a simplified adequate pictorial representation of an electrical circuit.It shows the components of the circuit as simplified shapes, and the talent and signal associates together with the devices. 106.86294140106.862941401106.86294340106.862943401106.86294540106.862945401106.86294740106.862947401106.86294840106.862948401106.87884100106.878841001106.87884300106.87884600106.88419100106.88419300View 1017 more rows The best way to find parts for Kenmore / Sears dryer model 110.68132413 (11068132413, 110 68132413) is by clicking one of the diagrams below. You can also browse the most common parts for Kenmore / Sears dryer model 110.68132413.
Kenmore Dryer Model 110.96310100 Parts. Kenmore Dryer Model 110.96310100 Parts are easily labeled on this page to help you find the correct component for your repair. Filter results by category, title and symptom. You can also view diagrams and manuals, review common problems that may help answer your questions, watch related videos, read insightful articles or use our repair help guide to get ...
Kenmore Dryer Model 110.62212101 Parts. Kenmore Dryer Model 110.62212101 Parts are easily labeled on this page to help you find the correct component for your repair. Filter results by category, title and symptom. You can also view diagrams and manuals, review common problems that may help answer your questions, watch related videos, read insightful articles or use our repair help guide to get ...
Kenmore Dryer Model 110.60832990 Parts. Kenmore Dryer Model 110.60832990 Parts are easily labeled on this page to help you find the correct component for your repair. Filter results by category, title and symptom. You can also view diagrams and manuals, review common problems that may help answer your questions, watch related videos, read insightful articles or use our repair help guide to get ...
1-24 of over 1,000 results for "kenmore dryer parts model 110" Price and other details may vary based on product size and color. 4392065 Dryer Repair Kit for whirlpool kenmore roper admiral maytag amana crosley estate inglis kitchenaid sears Including Belt 341241, Idler 691366, Rollers 349241t.
Kenmore Elite 11087081601 dryer parts - manufacturer-approved parts for a proper fit every time! We also have installation guides, diagrams and manuals to help you along the way!
Shop for Kenmore Dryer parts today, from 131062300 to WH2X930! Find genuine replacement parts along with great repair advice and same-day shipping.
Below is our selection of Kenmore Dryer model numbers. Select a model from the list to see an overview of its replacement parts. You can quickly narrow your ...
Kenmore Elite 11085876401 dryer parts - manufacturer-approved parts for a proper fit every time! We also have installation guides, diagrams and manuals to help you along the way!
Kenmore 11063032101 dryer parts - manufacturer-approved parts for a proper fit every time! We also have installation guides, diagrams and manuals to help you along the way!
Kenmore 11079522800 dryer parts - manufacturer-approved parts for a proper fit every time! We also have installation guides, diagrams and manuals to help you along the way!
Model #110C61402311 Kenmore electric dryer. Here are the diagrams and repair parts for Kenmore 110C61402311 electric dryer, as well as links to manuals and ...
The best way to find parts for Kenmore / Sears dryer model 110.71202015 (11071202015, 110 71202015) is by clicking one of the diagrams below. You can also browse the most common parts for Kenmore / Sears dryer model 110.71202015.
Get free shipping on qualified Kenmore Dryer Parts or Buy Online Pick Up in Store today in the Appliances Department.
0 Response to "41 kenmore dryer model 110 parts diagram"
Post a Comment