Iklan 300x250

40 stihl br550 backpack blower parts diagram

STIHL recommends using only STIHL replacement parts for the repair and maintenance of your STIHL equipment. We want every STIHL owner to have the best product performance possible, so if you are in need of STIHL repair or equipment maintenance, contact your local authorized full-line STIHL servicing Dealer . STIHL BLOWER BR350 BR430 BR500 BR550 BR600 BR700 FLYWHEEL # 4282 400 1200-UP683A. 5 out of 5 stars. (24) 24 product ratings - STIHL BLOWER BR350 BR430 BR500 BR550 BR600 BR700 FLYWHEEL # 4282 400 1200-UP683A. $33.95.

Stihl Bg 55 Blower -Carburetor, Parts Unit Or Rebuild It- Genuine Stihl Part. Parts Only. $12.00. Was: Previous Price. $39.99 70% off. or Best Offer. +$4.00 shipping.

Stihl br550 backpack blower parts diagram

Stihl br550 backpack blower parts diagram

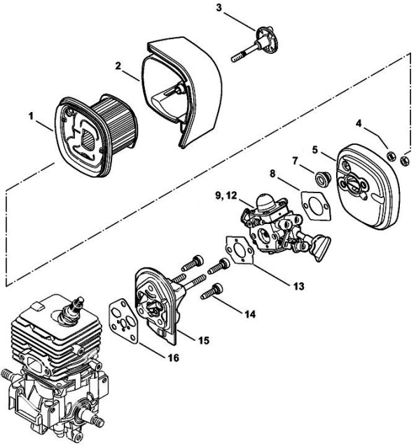
Blower, backpack. BR 550. Up to 284053456. The toolless fuel caps subject to this recall can be distinguished from a newly designed cap which corrects this problem by a molded identifier mark located on the lever of the cap and also by a letter molded on the underside of the cap. These identifier markings are shown in the example photos below: Stihl Leaf Blower Model BR 550 Parts. Stihl Leaf Blower Model BR 550 Parts are easily labeled on this page to help you find the correct component for your repair. Filter results by category, title and symptom. You can also view diagrams and manuals, review common problems that may help answer your questions, watch related videos, read insightful articles or use our repair help guide to get ... Stihl BR 550 Backpack Blower (BR 550) Parts Diagram, Air filter. Look at the diagram and find parts that fit a Stihl BR 550 Backpack Blower, or refer to the list below. All parts that fit a BR 550 Backpack Blower. Select Page. Air filter.

Stihl br550 backpack blower parts diagram. stihl br 800c parts diagram January 6, 2021 / / 0 Comments Miata Heart Tail Lights Sticker , Threads And Motifs Formal , Adoption Process In Arkansas , Dingo Puppies For Sale Canada , Crude Oil Price Forecast Bloomberg , Kindly Confirm Your Attendance , Baby Capuchin Monkey , Staples Chair Mesh , Rainbow Cake Pops - Youtube , Bush Tomato Taste ... TJHSM C1Q-S183 Carburetor with Gaskets Kit Fit for Stihl BR500 BR550 BR600 Backpack Blower Leaf Blower Carburetor Parts for 4282-120-0607, 4282-120-0608, 4282-120-0606. $12.99. $12. Check the chainsaw’s fuel system, air intake or spark system. 2736402 that runs wide open unless i partially choke the carburetor D: This video is about likely causes of a Stihl chainsaw engine bogging down. I mixed it wrong. 580BTS Mark II. Am I getting eno … read moreMy Stihl backpack blower starts great and runs great initially. Genuine and Aftermarket Spares for Stihl BR350, BR430, BR450 Backpack Leaf Blower Spare Parts, Parts in Stock ready for Next Day Delivery. Shop by diagram Control Handle Assembly for Stihl BR350 Blower Pre 32.2015

Stihl BR 500 Backpack Blower (BR 500) Parts Diagram Select a page from the Stihl BR 500 Backpack Blower diagram to view the parts list and exploded view diagram. All parts that fit a BR 500 Backpack Blower . Pages in this diagram. Air Filter. Carburetor C1Q-S99. Control handle. ... Stihl br420c magnum blower parts Genuine and Aftermarket Spares for Stihl BR500, BR550, BR600, BR700 Backpack Leaf Blower Spare Parts, Parts in Stock ready for Next Day Delivery. Shop by diagram Bike Handle Assembly for Stihl BR500 Blower STIHL Backpack Blower BR350 is a great value for homeowners with large properties. Delivering powerful performance for heavy debris cleanup, the BR350 is also fuel efficient and releases fewer emissions than earlier models. An anti-vibration system, multi-function control handle, and adjustable harness also provide user comfort and support ...

The STIHL BR 550 backpack blowers are no longer in production, but you can find specs, parts, manuals or similar products here. 1-16 of 679 results for "stihl br550 parts" Price and other details may vary based on product size and color. FitBest Air Filter Spark Plug Fuel Filter for Stihl BR500 BR550 BR600 Backpack Blower 4282 141 0300 Stihl BR 550 Backpack Blower (BR 550) Parts Diagram, Cylinder Look at the diagram and find parts that fit a Stihl BR 550 Backpack Blower, or refer to the list below. Ignition Coil Fits STIHL BR500 BR550 BR600 Backpack Leaf Blower, 4282 400 1305 [wpramaprice asin="B00OZCA61C"] Aftermarket replacement non-original ignition coil. Fits STIHL backpack leaf blowers: BR500, BR550 & BR600. Replaces STIHL OEM parts: 4282 400 1305. Aftermarket replacement non-original ignition coil.

Download stihl br 600 parts manual | Diigo Groups

Download stihl br 600 parts manual | Diigo Groups

Description: Stihl Br 600 Parts Diagram Quotes, Stihl 009L Parts Diagram - Petaluma intended for Stihl Br 600 Parts Diagram, image size 450 X 300 px, and to view image details please click the image.. Actually, we also have been noticed that stihl br 600 parts diagram is being one of the most popular subject at this moment. So we attempted to locate some good stihl br 600 parts diagram photo ...

32 Stihl Br 430 Parts Diagram - Wiring Diagram List

32 Stihl Br 430 Parts Diagram - Wiring Diagram List

fits br br br new stihl blower fuel line kit. | ebay!. does anyone have a fuel hose diagram for a stihl br backpack blower? i am confused as i have replaced all the fuel lines and carb but the. The Stihl BR Magnum backpack blower is a professional-grade piece of Removal of these components allows you access to the primer bulb, fuel line and ...

STIHL LEAF BLOWER Spare Parts List Diagram Manual BE 55 ...

STIHL LEAF BLOWER Spare Parts List Diagram Manual BE 55 ...

Stihl BR500, BR550, BR600 OEM Backpack Blower Harness Kit, Right and Left Strap 42827109020 and 42827109030 Rating * Select Rating 1 star (worst) 2 stars 3 stars (average) 4 stars 5 stars (best)

Stihl Br 550 Parts Diagram - Drivenheisenberg

Stihl Br 550 Parts Diagram - Drivenheisenberg

Stihl Br 350 Parts Diagram. BR , BR English. 1 satisfaction from your STIHL blower, it is important that you read, . and the function of the parts of your model. Do not clean your. Find parts that fit a BR & BR Backpack Blower. Use our exploded view diagrams to easily identify the correct parts that fit your machine, or select from.

NEW FUEL FILTER FITS STIHL BR500 BR550 BR600 BR420 BR400 ...

NEW FUEL FILTER FITS STIHL BR500 BR550 BR600 BR420 BR400 ...

Stihl BR 550 Backpack Blower (BR 550) Parts Diagram Select a page from the Stihl BR 550 Backpack Blower diagram to view the parts list and exploded view diagram. All parts that fit a BR 550 Backpack Blower . Pages in this diagram. Air filter. Carburetor C1Q-S99. Control handle. ...

Proline® Starter For Stihl BR500 BR550 BR600 BR700 Blower ...

Proline® Starter For Stihl BR500 BR550 BR600 BR700 Blower ...

Amazon's Choice for stihl backpack blower parts shiosheng 150-811 Recoil Starter Assembly for sthil BR500, BR550, BR600 Backpack blowers #4282 190 0300 4282 190 0300A 4.4 out of 5 stars 107

Redmax EBZ7100 Blower Diagram

Redmax EBZ7100 Blower Diagram

The STIHL BR 550 Backpack Blower is a low-emission backpack blower for professionals combining fuel-efficiency and an affordable price. Offers flexibility to crews with multiple users and great control. If value, power and fuel efficiency are important to you, then the STIHL® BR 550 Backpack Blower should be at the top of your list. Its rugged ...

Carburetor parts For Stihl BR500 BR550 BR600 Backpack ...

Carburetor parts For Stihl BR500 BR550 BR600 Backpack ...

Genuine and Aftermarket Spares for Stihl BG86 Leaf Blower Spare Parts, Parts in Stock ready for Next Day Delivery. Shop by diagram Carburetor 4241-20 BR Assembly for Stihl BG86 Blower

Mountain vista in Ioannina

Mountain vista in Ioannina

The BR 800 C-E is the most powerful backpack blower in STIHL's lineup. Featuring maximum blowing forces and a control handle, this is ideal for the professional with large tasks at hand.

Stihl br600 - deals on 1001 Blocks

Stihl br600 - deals on 1001 Blocks

Main Parts 30 Specifications 31 Special Accessories 32 Maintenance and Repairs 33 STIHL Incorporated Federal Emission Control Warranty Statement 33 STIHL Incorporated California Exhaust and Evaporative Emissions Control Warranty Statement 35 Trademarks 37 Warning! Because a blower is a high-speed tool, some special safety precautions must

Stihl Br 550 Parts Diagram - General Wiring Diagram

Stihl Br 550 Parts Diagram - General Wiring Diagram

TJHSM C1Q-S183 Carburetor with Gaskets Kit Fit for Stihl BR500 BR550 BR600 Backpack Blower Leaf Blower Carburetor Parts for 4282-120-0607, 4282-120-0608, 4282-120-0606 $15.99 $ 15 . 99 Get it Wed, Oct 6 - Tue, Oct 12

32 Stihl Backpack Blower Parts Diagram - Wiring Diagram ...

32 Stihl Backpack Blower Parts Diagram - Wiring Diagram ...

Observe all applicable stihl br 800 backpack blower parts diagram safety regulations, standards and ordinances tasks with 20 more. Or repair are OEM or Aftermarket replacements of great quality no joke Do more less! For STIHL BR500, BR550, BR600 backpack blowers # 4282 190 0300 4282 190 0300 4282 0300A.

27 Stihl Br420c Magnum Parts Diagram - Wiring Diagram List

27 Stihl Br420c Magnum Parts Diagram - Wiring Diagram List

Quality Stihl Leaf Blower Replacement Parts From Repair Clinic. Like all of the company's power equipment, Stihl leaf blowers are designed for reliability and built for the long haul. But for the equipment to live up to its full potential, the engine needs to be properly maintained. That's where Repair Clinic can help.

Spares for Stihl BR500, BR550 & BR600 Leaf Blowers | L&S ...

Spares for Stihl BR500, BR550 & BR600 Leaf Blowers | L&S ...

Harbot C1Q-S183 Carburetor for Stihl BR600 BR550 BR500 Backpack Leaf Blower with Tune Up Kit. 4.1 out of 5 stars 160. $21.99 $ 21. 99. Get it as soon as Thu, Dec 9. ... stihl backpack blower parts br600 stihl blower parts stihl br600 ...

Instagram - @andrewtneel | Donations - paypal.me/AndrewNeel

Instagram - @andrewtneel | Donations - paypal.me/AndrewNeel

Stihl BR 550 Backpack Blower (BR 550) Parts Diagram, Air filter. Look at the diagram and find parts that fit a Stihl BR 550 Backpack Blower, or refer to the list below. All parts that fit a BR 550 Backpack Blower. Select Page. Air filter.

32 Stihl Backpack Blower Parts Diagram - Wiring Diagram ...

32 Stihl Backpack Blower Parts Diagram - Wiring Diagram ...

Stihl Leaf Blower Model BR 550 Parts. Stihl Leaf Blower Model BR 550 Parts are easily labeled on this page to help you find the correct component for your repair. Filter results by category, title and symptom. You can also view diagrams and manuals, review common problems that may help answer your questions, watch related videos, read insightful articles or use our repair help guide to get ...

Explore

Explore

Blower, backpack. BR 550. Up to 284053456. The toolless fuel caps subject to this recall can be distinguished from a newly designed cap which corrects this problem by a molded identifier mark located on the lever of the cap and also by a letter molded on the underside of the cap. These identifier markings are shown in the example photos below:

Proline® Crankshaft Seals For Stihl BR500 BR550 BR600 ...

Proline® Crankshaft Seals For Stihl BR500 BR550 BR600 ...

Stihl BR 320 Backpack Blower (BR 320) Parts Diagram, H ...

Stihl BR 320 Backpack Blower (BR 320) Parts Diagram, H ...

30 Stihl Br 550 Parts Diagram - Wiring Diagram Database

30 Stihl Br 550 Parts Diagram - Wiring Diagram Database

Snow in January! Bavarian Alps.

Snow in January! Bavarian Alps.

31 Stihl Br 600 Parts Diagram - Wiring Diagram List

31 Stihl Br 600 Parts Diagram - Wiring Diagram List

32 Stihl Br 550 Parts Diagram - Wiring Diagram List

32 Stihl Br 550 Parts Diagram - Wiring Diagram List

BR600 Zama CARBURETOR FITS Stihl BLOWERS C1Q S185 ...

BR600 Zama CARBURETOR FITS Stihl BLOWERS C1Q S185 ...

Spares for Stihl BR500, BR550 & BR600 Leaf Blowers | L&S ...

Spares for Stihl BR500, BR550 & BR600 Leaf Blowers | L&S ...

Stihl Br420c Magnum Parts Diagram - Drivenheisenberg

Stihl Br420c Magnum Parts Diagram - Drivenheisenberg

Stihl Br 550 Fuel Line Diagram - Diagram

Stihl Br 550 Fuel Line Diagram - Diagram

Stihl BR 200 Backpack Blower (BR 200) Parts Diagram, K ...

Stihl BR 200 Backpack Blower (BR 200) Parts Diagram, K ...

Stihl BR 550 Backpack Blower (BR 550) Parts Diagram, Cylinder

Stihl BR 550 Backpack Blower (BR 550) Parts Diagram, Cylinder

Stihl BR600 Backpack Blower | The Eardly T. Petersen Company

Stihl BR600 Backpack Blower | The Eardly T. Petersen Company

32 Stihl Br 550 Parts Diagram - Wiring Diagram List

32 Stihl Br 550 Parts Diagram - Wiring Diagram List

Ignition Coil Wire for STIHL BR500 BR550 BR600 Backpack ...

Ignition Coil Wire for STIHL BR500 BR550 BR600 Backpack ...

Person facing away with camera

Person facing away with camera

30 Stihl Br 550 Parts Diagram - Wiring Diagram Database

30 Stihl Br 550 Parts Diagram - Wiring Diagram Database

Stihl Blower Parts 4.99$ | Dealsan

Stihl Blower Parts 4.99$ | Dealsan

Rainy day hike on the Quiraing on the Isle of Skye. We walked until we couldn’t go any further. Rain, then sun, then rain again. It was a great day!

Rainy day hike on the Quiraing on the Isle of Skye. We walked until we couldn’t go any further. Rain, then sun, then rain again. It was a great day!

Online Buy Wholesale stihl blower parts from China stihl ...

Online Buy Wholesale stihl blower parts from China stihl ...

Stihl Br 550 Fuel Line Diagram - Diagram

Stihl Br 550 Fuel Line Diagram - Diagram

4282-120-0606 Carburetor For Stihl BR600 BR550 BR500 Leaf ...

4282-120-0606 Carburetor For Stihl BR600 BR550 BR500 Leaf ...

Carburetor for Stihl Br500 Br550 Br600 Backpack Blower ...

Carburetor for Stihl Br500 Br550 Br600 Backpack Blower ...

0 Response to "40 stihl br550 backpack blower parts diagram"

Post a Comment

Iklan Atas Artikel

Iklan Tengah Artikel 1

Iklan Tengah Artikel 2

Iklan Bawah Artikel