Use a socket wrench to unscrew this from the bottom of the mower. 3. Remove the belt from the pulley. It should be easily removed from the pulley with your ... 2015-01-21 · Troy bilt super bronco riding mower Have replace both main belts,lower drive belt that goes to front pulley under motor and always back too ...
Troy Bilt 13WM77KS011 Pony (2015) Mower Deck 42-Inch Parts Diagram. SWIPE SWIPE Previous Diagrams Next ... Spindle Pulley Assembly. $72.75. Add to Cart.

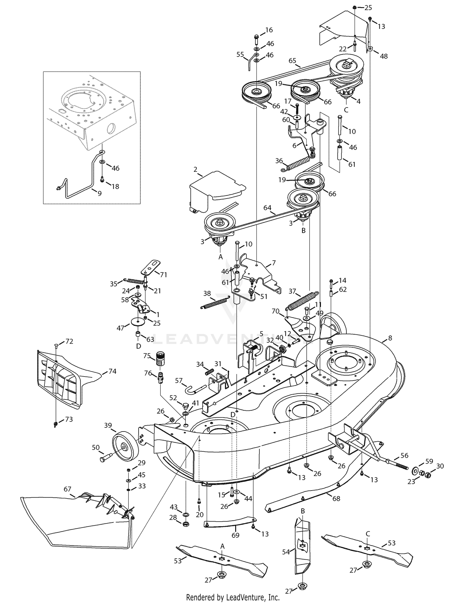
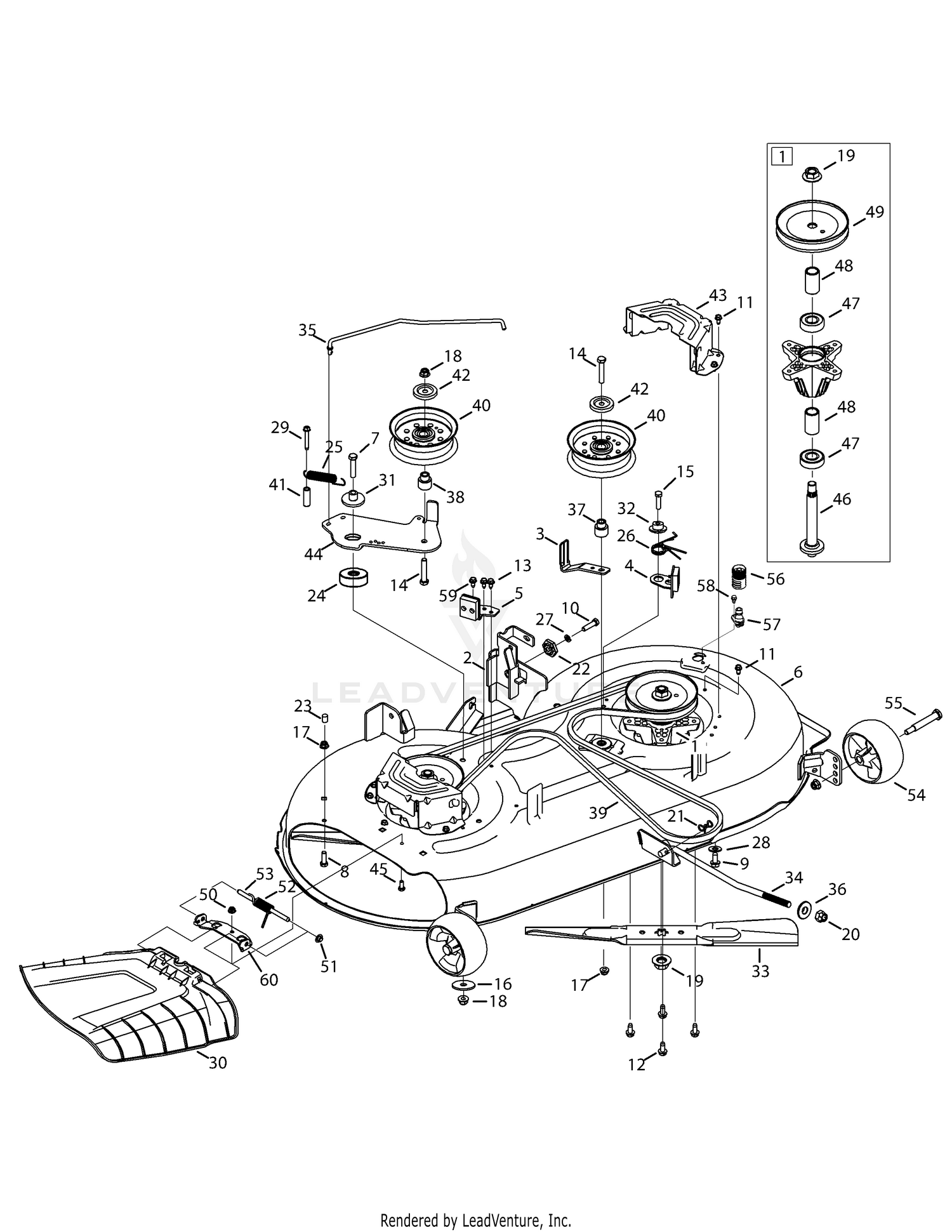
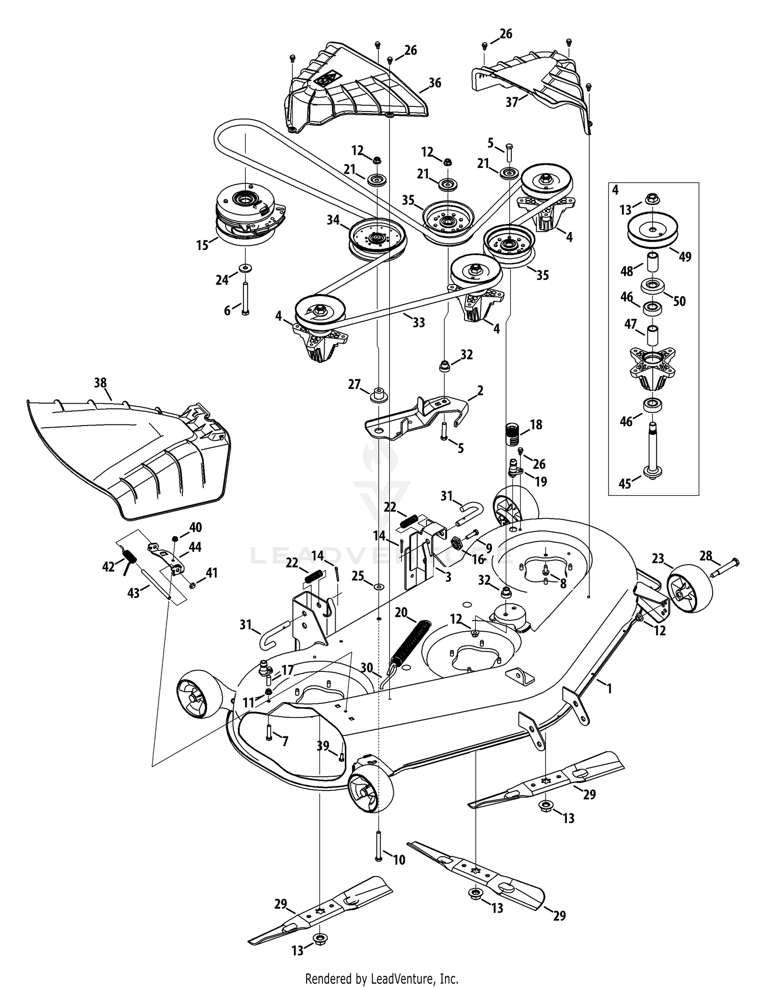
Troy bilt pulley diagram
Find the parts you need for your equipment with the Troy-Bilt parts lookup and diagram tool. Either put the front of the mower on a jack or ramps and lower the deck. There should be adjusters on the pulleys which hold the belt on. Loosen these, then put ...
Troy bilt pulley diagram. Either put the front of the mower on a jack or ramps and lower the deck. There should be adjusters on the pulleys which hold the belt on. Loosen these, then put ... Find the parts you need for your equipment with the Troy-Bilt parts lookup and diagram tool.
I Have Troy Bilt Lawn Tractor Bronco How Do I Replace The Power Drive Belt Model Number 13av60kg011 Serial Number
Purchase Troy Bilt 46 Inch Deck Belt Diagram Up To 72 Off
2
Troy Bilt 13wn77ks011 Pony 2011 Parts Diagram For Mower Deck 42 Inch
Forward Idler Pulley 756 04170 Official Troy Bilt Part Fast Shipping Partselect
Troy Bilt 13wn77ks011 Pony 2013 Parts Diagrams
Troy Bilt Super Bronco Tiller Belt Diagram
Purchase Troy Bilt 46 Inch Deck Belt Diagram Up To 72 Off
Troy Bilt Snowblower Transmission Pulley Lever Idler Arm Ebay
Page 11 Of Troy Bilt Edger 554 User Guide Manualsonline Com
Troy Bilt Zero Turn Mower Model 17aa5abp766 Troy Bilt Us
Troy Bilt 13at609g766 Super Bronco 05 Lawn Tractor Partswarehouse
Venta Troy Bilt 42 Inch Riding Mower Deck Belt Diagram En Stock
Troy Bilt 13wn77ks011 Pony 2013 Parts Diagram For Transmission Drive Assembly
Troy Bilt 17arcacq011 Mustang 50 Xp 2015 Mower Deck 50 Inch
Troy Bilt 13ax60kh011 Super Bronco 2008 Mowing Deck 46
Troy Bilt 46 Inch Riding Mower Belt Diagram Wiring Site Resource
Troy Bilt Bronco Drive Pulley Cheap Online
Troy Bilt 13a879ks066 Tb42 Hydro 2015 Mower Deck 42 Inch
Inch Deck Changing The Transmission Drive Belt Troy Bilt Pony User Manual Page 23 56
Troy Bilt 5511 Troy Bilt Pony Vi Rear Tine Tiller Sn S0204133 S0242649 Engine Pulley Belts Parts Lookup With Diagrams Partstree
How To Tighten The Belt On A Troy Bilt Riding Mower Upgraded Home
Venta Troy Bilt Bronco Lower Drive Belt Diagram En Stock
Troy Bilt 13yx79kt011 Horse Xp 2015 Mower Deck Shank 39 S Lawn Troy Bilt
Troy Bilt 13aa92kp066 Tb2450 2013 Parts Diagram For Mower Deck
Transmission Drive Belt Mower Blade Care Troy Bilt Rzt Mustang Zt50 User Manual Page 29 76
Purchase Troy Bilt 46 Inch Deck Belt Diagram Up To 72 Off
Diagram S And Or Partslist S 756 04002 1 S Pulley V Type 7 25 Dia 40 756 0981b 1 S Idler Pulley Flat 2 75 Od 41 783 04283 1 Bracket Shift 42 783 04360 1 Bracket Shift F N R Pdf Document
Troy Bilt Bronco Drive Pulley Cheap Online
13wx78ks011 Drive Belts Diagram Troy Bilt Bronco 2010 Fixya
Venta Troy Bilt Variable Speed Pulley Replacement En Stock
Changing The Deck Belt Troy Bilt Tb2450 User Manual Page 28 36
Drive Belt For A Troy Bilt Pony Off 70
Troy Bilt Pony Drive Belt Change Help Youtube
Troy Bilt 13aqa1bq011 Super Bronco 50 Xp 2018 Drive Shank 39 S Lawn Troy Bilt
Troy Bilt 12086 Econo Horse 6hp Opc S N 120860100101 Up Engine Pulley Belts
Troy Bilt 13aja1bz066 Troy Bilt Super Bronco Xp 50 Lawn Tractor 2019 Deck Parts Lookup With Diagrams Partstree
Troy Bilt Bronco Drive Pulley Cheap Online
How To Replace The Drive Belts On A Troy Bilt Pony Lawn Tractor Ereplacementparts Com
Troy Bilt 13wx78ks011 Bronco 2011 Parts Diagram For Drive Transmission
Troy Bilt 13yx78ks011 Bronco 2013 Parts Diagram For Mower Deck 42 Inch
Troy Bilt Bronco Drive Pulley Cheap Online
0 Response to "42 troy bilt pulley diagram"
Post a Comment