Iklan 300x250

41 drive belt diagram for craftsman riding mower

New mower drive belt. Craftsman DLT 3000 riding mowers make it manageable to have a large lawn. They allow you to cut the grass quickly and efficiently. In order to safely replace the belts on a Craftsman DLT 3000, you must first remove the mower deck. Craftsman Riding Lawn Mower. John Deere 318. Chevy. Craftsman Tractor Belt Diagram | 461 outdoor power equipment expert 2 jul 18 2009 10 51 am hi two belts ... Craftsman Riding Lawn Mower.

If you have a craftsman lawn mower, you can only cut grasses less than 42 inches. When you try to cut larger grasses with a craftsman lawn mower, it loses its ability to cut. The reason behind this is grass gets stuck to the mower's blade and the drive belt is torn down.

Drive belt diagram for craftsman riding mower

Drive belt diagram for craftsman riding mower

Ground Drive Belt For Craftsman Lawn Tractor Youtube. I have a dlt 3000 riding mower and after mowing the other day i went to move it into the garage and Can somebody tell me about a craftsman drivebelt not a deck belt the man there is a belt diagram on all craftsman lg troctors located under. From CRAFTSMAN's gas lawn mowers, cordless lawn mowers, and corded lawn mowers, we've got the match for you. There are CRAFTSMAN® push and self-propelled walk-behind, riding, and zero-turn mowers for every size lawn. Edger Drive Belt. Craftsman Riding Mower 917.252560 - Free download as PDF File (.pdf), Text File (.txt) or read online for free. CH_CK FOR PROPER POSITION OF ALL BELTS See the figures that are shown for replacing motion and mower bfade drive belts in the Service and Adjustments section of this manual...

Drive belt diagram for craftsman riding mower. How to install or replace a drive belt on a lawn mower cub cadet. Craftsman lt1000 drive belt diagram click here. 46 22 hp v twin briggs stratton reinforced deck zero turn riding mower. How to replace a riding lawn mower ignition coil. Lawn Mower CRAFTSMAN 917.273752 Owner's Manual. Lawn tractor 18.0 hp, 42" mower electric start 6 speed transaxle (57 pages). Page 23 TO REPLACE MOWER BLADE DRIVE 2. Measure distance between brake oper- BELT ating arm and nut "A" on brake rod. Since the drive belt on your craftsman dys 4500 riding mower is subjected to abrasion from flying grit and debris you need to fit a replacement from Craftsman 6500 26 hp 54 inch mower belt routing diagram. Deck belt diagram for model917256522. Look for frayed edges signs of. How to put a belt...

I went to sears and bought a new drive belt but i do not have a clue as to how to put it back on the tractor. Provenpart 42 mower deck repl... Belt Diagram For Craftsman Riding Mower Lt1000. How to Install a Murray 40-Inch Drive Belt During normal mowing operations on an established lawn, the deck belt on your Craftsman FS5500 riding mower usually lasts for two or three mowing seasons. Craftsman Riding Mower Drive Belt Diagram. Image Source: Pinterest Pin. Suspension Arms: This part absorbs the impact when you drive your mower over uneven ground. Electric Clutch Pulley: An electric clutch gets power from the mower’s engine and transmits it to the blade of the mower. When the clutch takes energy from the starter, a pressure ... Removing the belts on a Craftsman DYT 4000.

- Lawn Mower Craftsman ZTS 7500 1 day ago · Scag turf tiger deck belt diagram best 2018 scag stt61a 27ka turf tiger zero turn mower 61 deck 27hp kawasaki sn 8520001 8529999 drive components diagram and parts list partstree swz hydro drive walk behind mower scag power equipment rh com turf tiger parts list 36 grass catcher lawn mower motor ... Jun 23, 2014 - Wiring Diagram craftsman riding lawn mower? I need one for a craftsman garden tractor. I know there are problems with the - Answered by a verified Technician Jun 20, 2010 · The drive belt broke today on my Craftsman model # 917255441 riding lawn tractor. I went to Sears and bought a new drive belt, but I do not have a clue as to how to put it back on the tractor. I need a diagram. So I began looking into and pricing riding mower equipment. Let me tell you, there are quite a few out there on the market! And after sifting through each one, I can tell you that absolutely without a doubt, my money is on the Craftsman DYS 4500 riding mower. One of the top in its class...

Craftsman Riding Mower Belt Diagram Welcome To Buy Ipn Org Vn

Craftsman Riding Mower Belt Diagram Welcome To Buy Ipn Org Vn

What is the belt diagram for a 42 inch murray riding mower. On sears tractors the drive belt Murray riding mower belt diagram troubleshooting. All this site does is send you to another site. How in the heck do you get an answer to the question. Craftsman Self Propelled Lawnmower Belt...

Drive Belt For Craftsman Lawn Mower Off 66

Drive Belt For Craftsman Lawn Mower Off 66

SOURCE: Sears Craftsman riding mower V belt getting chewed. You can find the belt diagram for the MTD Yard Machine mower in the MTD Owner Manual. The diagram is on page 21.

1

1

Craftsman Riding Mower Electrical Diagram. Couldn't find what you were looking for? .... I have a Craftsman riding mower model with an apparent wiring problem. There is a wire harness on the left side of the - Answered by a verified Technician.

Solved How To Replace Drive Belt On Craftsman Riding Mower Craftsman Riding Mower Ifixit

Solved How To Replace Drive Belt On Craftsman Riding Mower Craftsman Riding Mower Ifixit

Gravely Pressure Washers. Dec 14, 2018 · I am trying to find a site the where i can find a belt diagram for the mower deck on my gravely zero turn mower. Ingyenesen letölthetsz és használhatsz 10 000+ craftsman 42 inch mower deck belt diagram témájú stockfotót. Fits Cub Cadet LTX1040, LTX1042KH, LTX1042KW. Drive belt routing.

Craftsman 917271635 Front Engine Lawn Tractor Parts Sears Partsdirect

Craftsman 917271635 Front Engine Lawn Tractor Parts Sears Partsdirect

By manage my life. 46 22 hp v twin briggs stratton reinforced deck zero turn riding mower. Craftsman Riding Mower Steering...

Craftsman 247 203726 13a278xs099 Craftsman T1200 Lawn Tractor 2018 Drive Parts Lookup With Diagrams Partstree

Craftsman 247 203726 13a278xs099 Craftsman T1200 Lawn Tractor 2018 Drive Parts Lookup With Diagrams Partstree

Jul 05, 2020 · For craftsman tractor repair parts model 917270810 at find the craftsman lawn tractor parts you need craftsman 502254280 front engine lawn tractor parts sears craftsman lt1000 parts diagram general wiring. Whats people lookup in this blog: Craftsman Lt1000 Riding Mower Parts Diagram; Craftsman Lt1000 Lawn Tractor Parts List

Venta Craftsman Lawn Mower Belt Routing En Stock

Venta Craftsman Lawn Mower Belt Routing En Stock

How to replace a riding lawn mower blade drive belt. Ariens gravely disclaims liability for any claims or damages. Home ariens riding mower tractor parts ariens Ariens Ikon X Series Zero Turn Riding Mower Features Models. For Craftsman Riding Mower Innovative Lawn Mowers 42 Inch Belt.

Solved What Is The Belt Configeration For A Craftsman Fixya

Solved What Is The Belt Configeration For A Craftsman Fixya

Craftsman Lt2000 Belt Diagram. craftsman lt2000 belt diagram imageresizertool craftsman lt2000 belt diagram moreover transmission drive belt kevlar manual geared only fits some husqvarna lt151 models replaces 613 p how The Craftsman GT lawn mower uses a drive belt to move the wheels.

Deck Belt Diagram For Craftsman Lt2000 Off 57

Deck Belt Diagram For Craftsman Lt2000 Off 57

I have a craftsman model 917288522 riding mower. I have an OEM belt that came in the mail yesterday. I have looked up and verified the diagram for pulley and belt direction. No matter how hard i try, i cannot get this damn belt on the last pulley. I even tried taking the deck off and still cant get it to fit. Am i supposed to stretch it first or something? Edit: my manual has the drive belt and deck belt listed backwards. Ordered the right belt and it fit just fine.

Craftsman Riding Lawn Mower Deck V Belt Replacement 532429636 Youtube

Craftsman Riding Lawn Mower Deck V Belt Replacement 532429636 Youtube

Troubleshooting and Adjusting the Drive Belt on a Craftsman Riding Lawnmower, step-by-step: The steps that need to be followed for fixing the Craftsman As we've seen, the drive belt is slipping; we need to troubleshoot this for the components located on the mower deck. To do this, lower the deck...

Craftsman Rer 1000 User Manual Pdf Download Manualslib

Craftsman Rer 1000 User Manual Pdf Download Manualslib

I have a Craftsman Riding Mower: YT3000 Model: 917.250221. My wife decided to help with yard She mowed the back yard, and knowing she didn't have enough fuel for the rest, turned the mower off and If I manually try to turn the engine over, either through the pull in which the belts connect to, or...

Craftsman 502270110 Front Engine Lawn Tractor Parts Sears Partsdirect

Craftsman 502270110 Front Engine Lawn Tractor Parts Sears Partsdirect

Craftsman Riding Mower Electrical Diagram Craftsman Lawn. Garden Tractor Ignition Wiring Diagrams Wiring Diagram. Posting Komentar untuk "Craftsman Riding Mower Wiring Diagram". Popular Posts. 01 Bmw E46 Belt Diagram Wiring Diagram Schematic Wirin…

Craftsman Riding Lawn Mower Deck V Belt Replacement 532429636 Youtube Craftsman Riding Lawn Mower Riding Lawn Mowers Craftsman

Craftsman Riding Lawn Mower Deck V Belt Replacement 532429636 Youtube Craftsman Riding Lawn Mower Riding Lawn Mowers Craftsman

After replacing the terminals the mower no longer has fire to the spark plug. I need a very specific wiring diagram to chase each wire back to it... I had to replace the female terminals on the 3 relays on my 1999 Craftsman 42" riding mower (17.5 HP Kohler engine) because of a short in the wiring.

1

1

Trying to replace one of two mower belts for an old Craftsman riding mower with a triple deck. It looks like I have to unbolt at least one of the pulleys to get the belt threaded through the secondary drive belt.

How To Replace Both Drive And Deck Belts On A Craftsman Riding Mower Youtube

How To Replace Both Drive And Deck Belts On A Craftsman Riding Mower Youtube

Oct 17, 2017 · My Craftsman 42" Lawn Tractor (Model # 917.203901) will not move forward or backward, and the Drive Belt is fine. I have found that the Transaxle Variation Belt has shredded and come off in pieces. My novice understanding is that this belt is turned by the transaxle to set the speed/gear commanded by the foot pedal.

Parts And Services Craftsman

Parts And Services Craftsman

Craftsman 247290000 rear-engine riding mower parts - manufacturer-approved parts for a proper fit every time! We also have installation guides, diagrams and manuals to help you along the way!

Craftsman 247 203730 13ad78xs099 Craftsman T1400 Lawn Tractor 2014 Parts Lookup With Diagrams Partstree

Craftsman 247 203730 13ad78xs099 Craftsman T1400 Lawn Tractor 2014 Parts Lookup With Diagrams Partstree

Oct 02, 2019 · Craftsman Hydrostatic Transmission Diagram Murray Lawn Mower Drive Belt Diagram Tyres2c. Craftsman Hydrostatic Transmission Diagram Craftsman 917204140 User Manual Zero Turn Riding Mower Manuals And. Craftsman Hydrostatic Transmission Diagram Craftsman T210 Turn Tight 18 Hp Hydrostatic 42 In Riding Lawn Mower

Diagram For Craftsman Riding Mower Belts Diagram

Diagram For Craftsman Riding Mower Belts Diagram

Nov 15, 2019 · I have a john deere L110 Lawn tractor with a 42" mower deck. May 11, · Im looking for a drive belt diagram for a Deere LT - Answered by a verified Technician Im looking for a drive belt diagram for a John Deere LT Show More. View John Deere attachments and implements for riding lawn mowers and find the perfect one for your needs.

Solved Belt Diagram For Model 917253725 Sears Tractor Craftsman Riding Mower Ifixit

Solved Belt Diagram For Model 917253725 Sears Tractor Craftsman Riding Mower Ifixit

This may be a good or dumb question. I know you can tip you normal walk behind on its side for oil changes and blade changes tipping carburetor side up.my question is can I do this with a rider? The reason I ask is I have a customer repair brought into me recently messed with by another "SO CALLED" mechanic. The other guy supposedly put a new pulley on but the mower would never move. Upon inspection(it was quite obvious) the extension spring for drive belt tensioner pulley was dangling. And for ...

Amazon Com Genuine Oem Craftsman Poulan Husqvara 140218 Ground Drive Belt Lawn Mower Belts Patio Lawn Garden

Amazon Com Genuine Oem Craftsman Poulan Husqvara 140218 Ground Drive Belt Lawn Mower Belts Patio Lawn Garden

My Craftsman riding mower model Number YTS quit moving. Operation manual. TO REPLACE MOWER BLADE DRIVE BELT Pull belt toward front of tractor and roll belt onto. The primary belt diagram will scare the **** out you but it is not hard to replace with the " replacement belt that sells...

Riding Mower And Garden Tractor Belt Routing Diagrams Craftsman Riding Lawn Mower Lawn Mower Repair Lawn Mower Maintenance

Riding Mower And Garden Tractor Belt Routing Diagrams Craftsman Riding Lawn Mower Lawn Mower Repair Lawn Mower Maintenance

The drive belt broke today on my Craftsman model 917255441 riding lawn tractor. Fm 4953 Craftsman Mower Deck Diagram Craftsman Lawn Mower. 50 Belt Routing Street Rodder Deck Electrolux. A mower deck drive belt and pulleys make the cutting blade turn.

Lt2000 Drive Belt Install How To Youtube

Lt2000 Drive Belt Install How To Youtube

Sears Craftsman Riding Mowers Mower Belt Diagram Replacement Parts. The craftsman lt1000 is a basic riding mower designed to cut residential Craftsman mower model 917 diagram daytonva150 6 speed craftsman drive belt routing diagram product wiring diagrams craftsman mower model 917.

Craftsman Lawn Tractor 917273140 Ereplacementparts Com

Craftsman Lawn Tractor 917273140 Ereplacementparts Com

Craftsman Riding Mower 917.252560 - Free download as PDF File (.pdf), Text File (.txt) or read online for free. CH_CK FOR PROPER POSITION OF ALL BELTS See the figures that are shown for replacing motion and mower bfade drive belts in the Service and Adjustments section of this manual...

Solved I Need A Actual Picture Of The Installed Drive Belt Craftsman Riding Mower Ifixit

Solved I Need A Actual Picture Of The Installed Drive Belt Craftsman Riding Mower Ifixit

From CRAFTSMAN's gas lawn mowers, cordless lawn mowers, and corded lawn mowers, we've got the match for you. There are CRAFTSMAN® push and self-propelled walk-behind, riding, and zero-turn mowers for every size lawn. Edger Drive Belt.

Craftsman 247203701 Front Engine Lawn Tractor Parts Sears Partsdirect

Craftsman 247203701 Front Engine Lawn Tractor Parts Sears Partsdirect

Ground Drive Belt For Craftsman Lawn Tractor Youtube. I have a dlt 3000 riding mower and after mowing the other day i went to move it into the garage and Can somebody tell me about a craftsman drivebelt not a deck belt the man there is a belt diagram on all craftsman lg troctors located under.

Craftsman Riding Mower Transmission Belt Off 53

Craftsman Riding Mower Transmission Belt Off 53

Solved I Have A T1200 Craftsman Riding Mower And My Fixya

Solved I Have A T1200 Craftsman Riding Mower And My Fixya

Craftsman Gt 5000 26 Hp54 Garden Tractor Free Belt Routing Diagram Questions With Pictures Fixya

Craftsman Gt 5000 26 Hp54 Garden Tractor Free Belt Routing Diagram Questions With Pictures Fixya

Sears Craftsman 24 0 H P 48 Lawn Mower Tractor Mts5500 Parts Manual 917 288420 Ebay

Sears Craftsman 24 0 H P 48 Lawn Mower Tractor Mts5500 Parts Manual 917 288420 Ebay

Craftsman Lt 2000 Won T Stop Moving Tractor Forum

Craftsman Lt 2000 Won T Stop Moving Tractor Forum

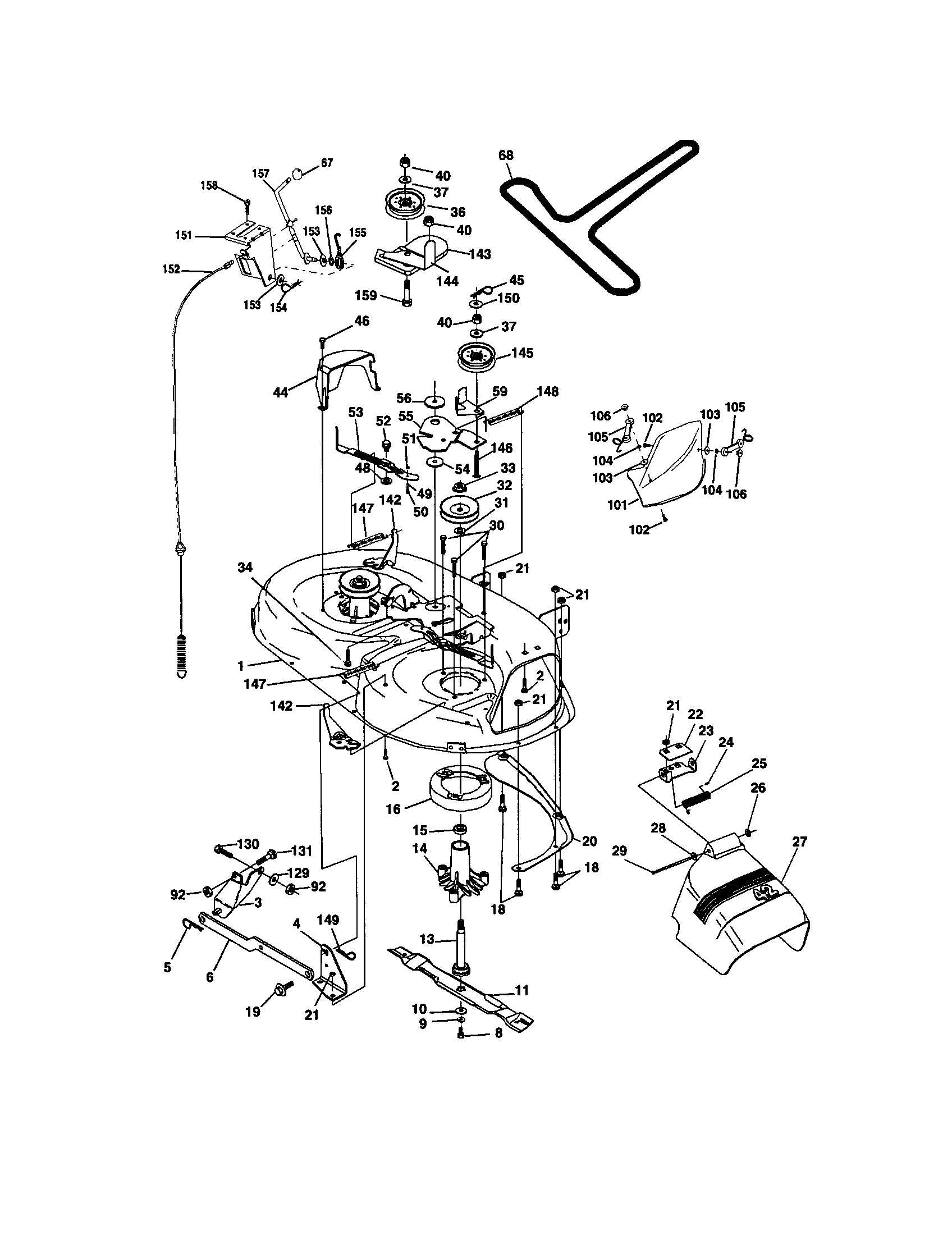
42 Inch Craftsman 42 Mower Deck Diagram

42 Inch Craftsman 42 Mower Deck Diagram

Mtd 13ap78xs099 247 203761 T1800 2015 Parts Diagram For Mower Deck

Mtd 13ap78xs099 247 203761 T1800 2015 Parts Diagram For Mower Deck

How To Replace A Ground Drive Belt On A Riding Lawn Mower Repair Guide

How To Replace A Ground Drive Belt On A Riding Lawn Mower Repair Guide

Solved Changing Drive Belt On Craftsman 247288851 Fixya

Solved Changing Drive Belt On Craftsman 247288851 Fixya

Mtd 13b226jd099 247 290000 R1000 2015 Parts Diagram For Mower Deck

Mtd 13b226jd099 247 290000 R1000 2015 Parts Diagram For Mower Deck

Craftsman Gt 50 Deck Belt Upgrade Youtube

Craftsman Gt 50 Deck Belt Upgrade Youtube

Craftsman Zero Turn Mower Model 17adfact093 Mtd Parts

Craftsman Zero Turn Mower Model 17adfact093 Mtd Parts

Craftsman Riding Mower Drive Belt Diagram A Step By Step Process

Craftsman Riding Mower Drive Belt Diagram A Step By Step Process

Craftsman Riding Lawn Mower Belt Diagram Free Delivery Www Wearpumps Com

Craftsman Riding Lawn Mower Belt Diagram Free Delivery Www Wearpumps Com

Craftsman Riding Lawn Mower Model 13an77xs293 Mtd Parts

Craftsman Riding Lawn Mower Model 13an77xs293 Mtd Parts

Solved Diagram For Drive Belt Craftman 50in Deck 6 Speed Fixya

Solved Diagram For Drive Belt Craftman 50in Deck 6 Speed Fixya

0 Response to "41 drive belt diagram for craftsman riding mower"

Post a Comment

Iklan Atas Artikel

Iklan Tengah Artikel 1

Iklan Tengah Artikel 2

Iklan Bawah Artikel